EasyManua.ls Logo

GFL 2008 - Mains Connection Examples and Fuses

Default Icon
19 pages
Print Icon
To Next Page IconTo Next Page
To Next Page IconTo Next Page
To Previous Page IconTo Previous Page
To Previous Page IconTo Previous Page
Loading...
11
9.5 Typ 2008 und 2012 Ausführung 400 / 3 (s. Typenschild)
Models 2008 and 2012 version 400 / 3 (see nameplate)
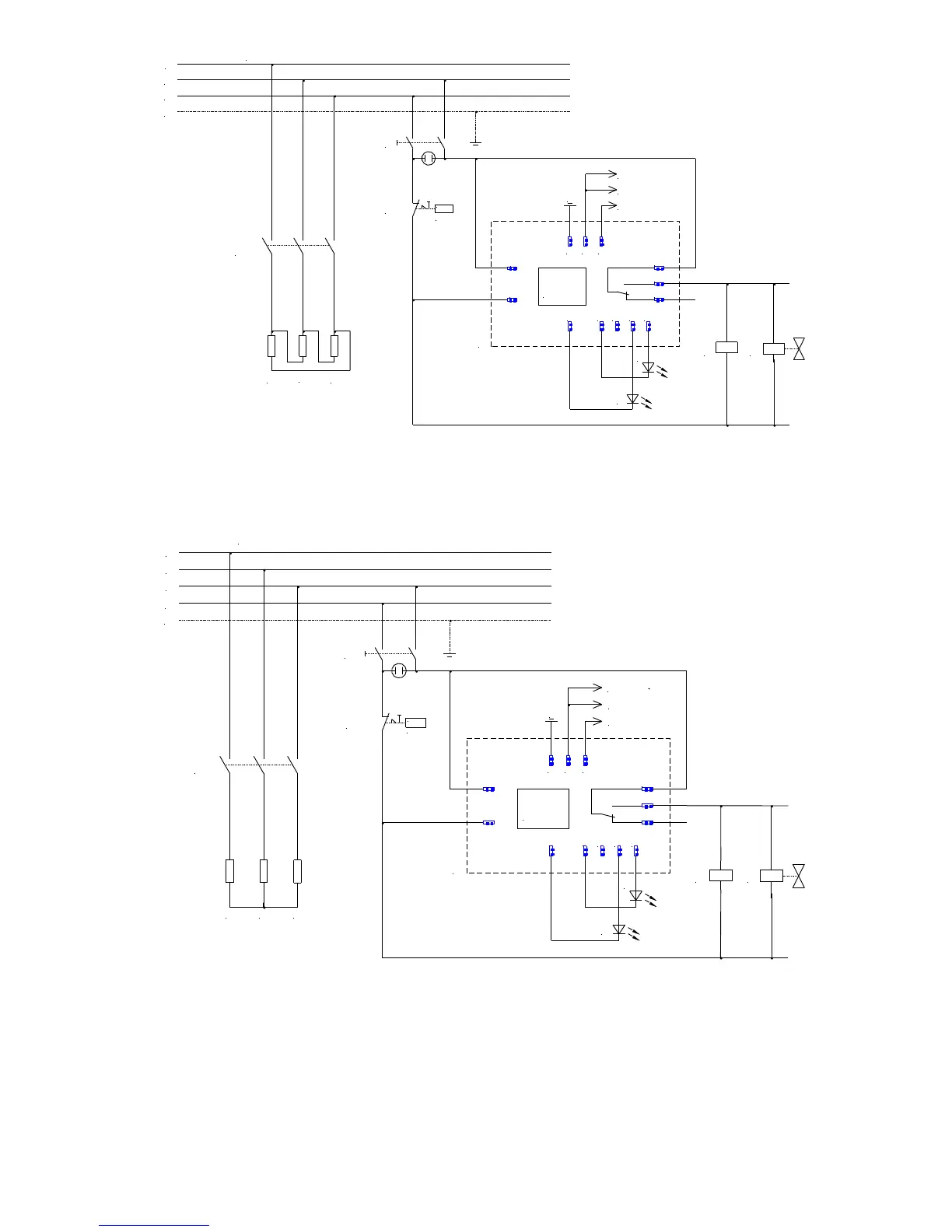
10. Beispiele für den Netzanschluss - Examples for connection to
the mains supply
Bauteile Components
B1
Schutzkontakt Steckdose bauseits
Earthing contact socket (by customers)
J
Trafo
X2
X3 X4 X5
X6
X7
X8
X13X12X11X10X9
X1
H1
H2
K1 Y1
Elektr.1
Elektr.1
Elektr.1
M
E3
S1
F1
A1
E1
E2
K1
220V / 3 / PE / 50....60Hz
L1
L2
L3
PE
>130^C
J
Trafo
X3
X1
X4 X5
X6
X7
X8
X13X12
X11
X10X9
X2
Y1K1
H2
H1
A1
>130°C
F1
S1
K1
PE
L3
L1
E1
E2
E3
400V / 3 / N / PE / 50....60Hz
L2
N
Elektr.1
Elektr.2
Elektr.3
M

Related product manuals