EasyManua.ls Logo

GHH RAND CF90D4 - Plant Construction Recommendations; Electromotor Drive Piping Diagram

Default Icon
60 pages
Print Icon
To Next Page IconTo Next Page
To Next Page IconTo Next Page
To Previous Page IconTo Previous Page
To Previous Page IconTo Previous Page
Loading...
Installation Manual Series CF (without incapsulated screw compressors) 23042013 Rev. A / May 2007 9 of 60
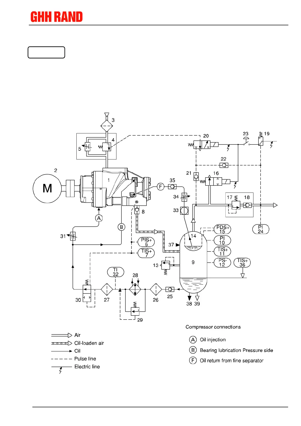
4 Recommendation for plant construction
The following piping diagram and descriptions are non-committal examples and provide
information on possible forms of execution. They do not dispense from the liability to
consider the actual operating conditions. Existing safety regulations (see also section 2
“Safety”) shall be observed. GHH RAND does not assume any liability or warranty for the
represented circuits, descriptions and other information.
4.1 Electromotor drive piping diagram
NOTE

Related product manuals