EasyManua.ls Logo

Ghisalba VFD-E Series - Page 23

Default Icon
268 pages
Print Icon
To Next Page IconTo Next Page
To Next Page IconTo Next Page
To Previous Page IconTo Previous Page
To Previous Page IconTo Previous Page
Loading...
Chapter 3 Start Up
_
VFD-E Series
2-8 Revision August 2006, 01EE, SW--PW V1.03/CTL V2.03
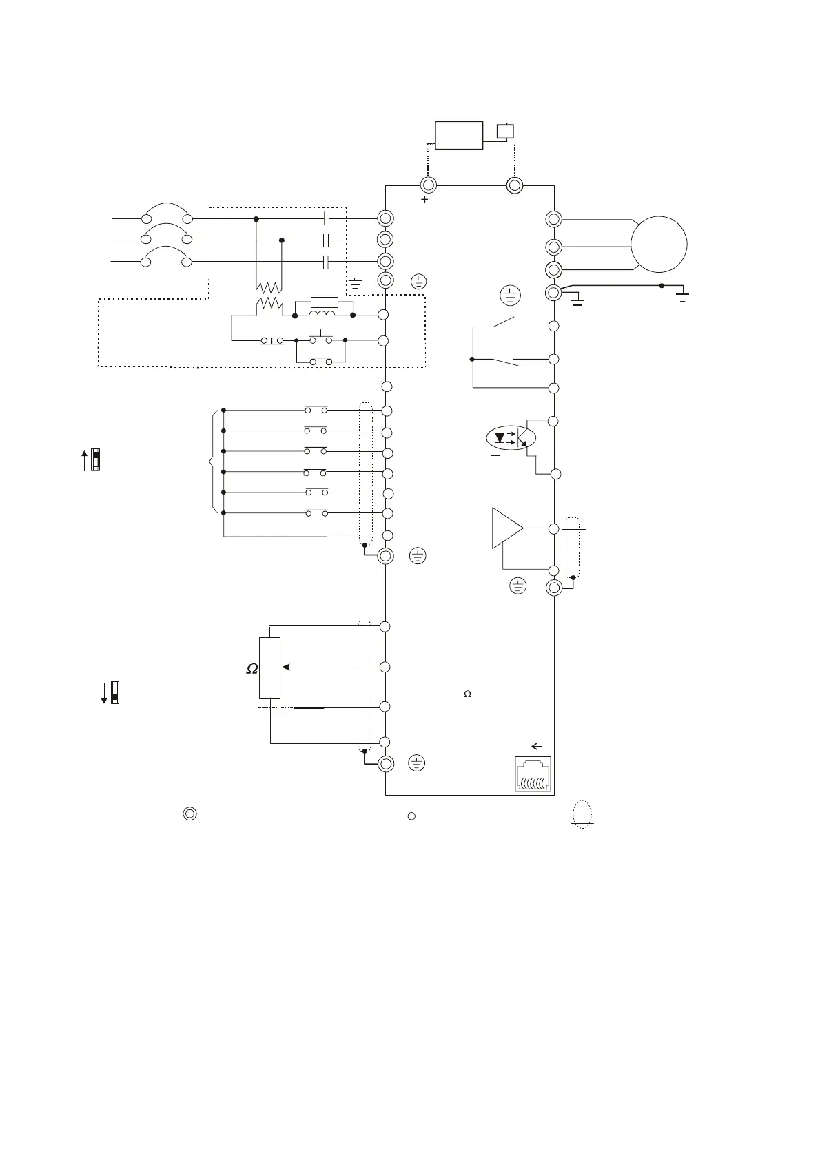
AVI
ACI
ACM
4~20mA
+10V
5K
3
2
1
Figure 1 for models of VFD-E Series
VFD002E11A/21A/23A, VFD004E11A/21A/23A/43A, VFD007E21A/23A/43A, VFD015E23A/43A
Power supply
+10V 20mA
Master Frequency
0 to 10V 47K
Analog Signal Common
E
Main circuit (power) terminals
Control circuit terminals
Shielded leads & Cable
* Don't apply the mains voltage directly
to above terminals.
E
R(L1 )
S(L2 )
T( L3 )
Fuse/NFB(None Fuse Breaker)
SA
OFF
ON
MC
MC
RB
RC
Recommended Circuit
when power supply
is turned OFF by a
fault output
R(L1 )
S(L2 )
T(L3 )
E
Analog Multi-function Output
Terminal
factory setting: Analog freq.
/ current meter
0~10VDC/2mA
U(T1)
V(T2)
W(T3)
IM
3~
A
FM
A
CM
RA
RB
RC
Motor
Factory setting:
Drive is in operation
48V50mA
Multi-function
Photocoulper Output
Analog Signal common
E
E
Refer to Control
Terminal Explanation
MO1
MCM
MI1
MI2
MI3
MI4
MI6
MI5
DCM
+24V
FWD/Stop
REV/Stop
Multi-step 1
Multi-step 2
Multi-step 3
Multi-step 4
Digital Signal Common
Factory
setting
Sw2
AVI
ACI
Factory setting:
ACI Mode
ACI/AVI switch
When switching to AVI,
it indicates AVI2
-
Brake
Unit
RS- 485
Serial interface
1: Reserved
2: EV
5: SG+
6: Reserved
7: Reserved
8: Reserved
3: GND
4: SG-
8
1
Sw1
NPN
PNP
Factory setting:
NPN Mode
Please refer to Figure 3
for wiring of NPN
mode and PNP
mode.
Brake
resistor
Please use brake unit and/or
brake resistor depending on
type and application
* Single-phase models can only use R(L1), S(L2) to be the power terminals.
* Single-phase power cannot be used for 3-phase models.