EasyManua.ls Logo

GHL LEDControl4 V2 - Operation with LED-Driver

Default Icon
8 pages
Print Icon
To Next Page IconTo Next Page
To Next Page IconTo Next Page
To Previous Page IconTo Previous Page
To Previous Page IconTo Previous Page
Loading...
Operation with LED-driver:
Preconditions (not included in shipment)
2 or 4 free 1-10 V-interfaces (1 or 2 L-ports) at ProfiLux
LED-driver which can be controlled (dimmed) via PWM (Open Drain)
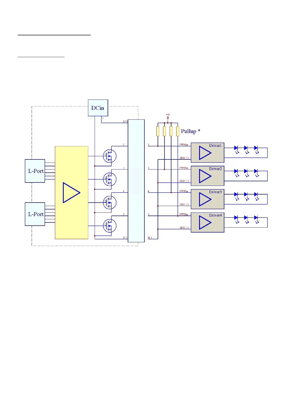
Connection and operation
The supplied control lines (Western cables) are at one end connected to the corresponding sockets of LEDControl4 V2 (L1L2, L3L4), on the
other end to free sockets with 1-10V-interface (e.g. L1L2 and L3L4) of ProfiLux. The control inputs of the LED-drivers are connected via the
supplied screw-type terminal to (PWM-OUT).
Possibly pull-up-resistors on the control inputs of the drivers are required.
Block diagram for connecting four LED-drivers:
* The pull-up-resistors are necessary if in the LED-driver internally at the PWM-input no pull-up-resistor is integrated.
Example 1:
The LED-driver has a PWM-input with integrated pull-up-resistor.
Here it is sufficient to connect the PWM-input of the LED-driver with a PWM-output (Pin 2, Pin 3, Pin 4 or Pin 5) of PWM-OUT.
If several drivers or one driver shall be connected with several PWM-inputs, then for the separate dimming you have to connect one PWM-
input with one PWM-output of LEDControl4 V2 each. The ground of the PWM-input (often named with 0 V or GND) is connected to the PWM-
OUT connection rightmost (Pin 6) for several drivers the ground has to be connected in parallel. The PWM-OUT connection leftmost (Pin 1)
remains free.
Example 2:
The LED-driver disposes of a TTL-compatible PWM-input (control input for 5 V-level). But no pull-up-resistor is integrated in the driver. At the
driver, no connection for the control voltage supply (here in the example 5 V) is available.
For the control of a TTL-compatible PWM-input a power supply unit with 5 V and external pull-up-resistors are necessary. The value of the
resistors should be 470 Ohm to 10 kOhm according to the requirements of the PWM-input of the LED-driver.
Further information you will get from the data sheet of the LED-driver or from the manufacturer of the LED-driver.
The wiring must be made according to the example before. But in this case additionally the power supply unit is connected to the DCin-socket.
Furthermore one end of the pull-up-resistors is connected each to the single PWM-inputs of the drivers (or to Pin 2 … Pin 5 from PWM-OUT).
The other end of the pull-up-resistors (+V) is connected with Pin 1 from PWM-OUT.
PWM
-OUT

Related product manuals