EasyManua.ls Logo

Giant MP Series - MP Series Torque Specifications; MP Series Dimensions

Giant MP Series
12 pages
Print Icon
To Next Page IconTo Next Page
To Next Page IconTo Next Page
To Previous Page IconTo Previous Page
To Previous Page IconTo Previous Page
Loading...
36. Insert the crankshaft (#22) with the mounted bearings (#20) through the near side of the crankcase
(#1). Make certain that the numbers (or colors) or the crankshaft correspond to the numbers (or colors)
on the connecting rods (#24). Reinstall the near side bearing race by inserting it into the crankcase.
Supporting the crankshaft with one hand, tap the race with a rubber mallet until the edge is ush with
the crankcase.
37. Replace any shims (#20A, 20B) and position the bearing cover (#14) as before. Tighten the bearing
cover bolts (#17) evenly to position the bearing race. Torque the bolts to 125 inch-pounds. Once the
crankshaft reassembly is complete, oil the crankshaft races freely before replacing the connecting rod
(#24) end caps.
38. Reassemble the connecting rods (#24), matching the numbered (or colored) halves. Torque the con-
necting rod bolts (#24A) to 250 inch-pounds (28 Nm).
39. To replace the oil seal (#31) apply Locktite to the outside edges of the seal and install from the front
of the crankcase (#1). The side of the seal with the spring must face the oil. Make sure that the face
of the seal is ush with the crankcase.
Reassembly Sequence
REPAIR INSTRUCTIONS - MP SERIES
40. Clean the back edge of the crankcase and replace the crankcase cover (#4). be careful not to pinch
the crankcase cover o-ring (#5).
41. Fill the crankcase with 32 uid ounces of Giant oil or the equivalent SAE 85W-140 Industrial Gear oil
and check the oil level with the dip stick (#8). The proper level is center of the two lines. Reinstall the
Giant MP Series pump into your system.
MP SERIES TORQUE SPECIFICATIONS
Position Item# Description Torque Amount - in.-lbs. (Nm)
17 07114 Hex Screw, Bearing Cover 125 (14)
24 07253 Hex Screw, Connecting Rod 250 (28)
29C 13007 Bolt, Plunger 300 (34)
50 07158 Nut, Manifold Stud 700 (79)
NOTE: Contact Giant Industries for
Service School Information.
Phone: (419)-531-4600
11
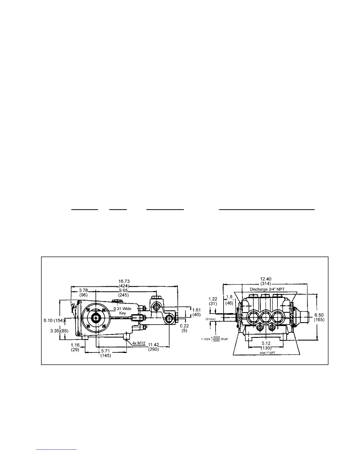
MP SERIES DIMENSIONS - Inches (mm)