EasyManua.ls Logo

Gigabyte GA-945P-S3 - Block Diagram

Gigabyte GA-945P-S3
80 pages
To Next Page IconTo Next Page
To Next Page IconTo Next Page
To Previous Page IconTo Previous Page
To Previous Page IconTo Previous Page
Loading...
- 8 -
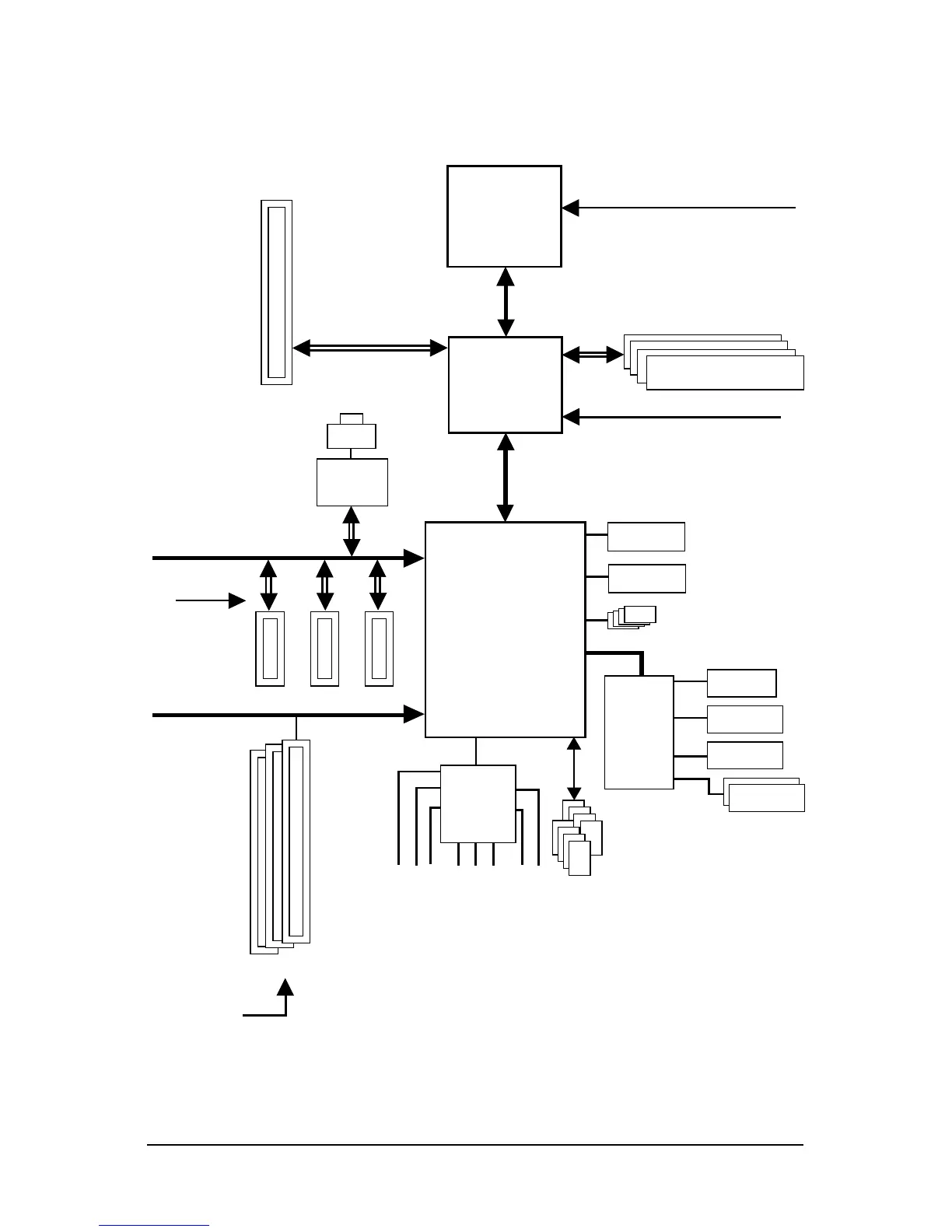
Block Diagram
(Note) To use a DDR II 667 memory module on the motherboard, you must install an 800/1066MHz
FSB processor.
Center/Subwoofer Speaker Out
Line-Out
MIC
CPUCLK+/-(266/200/133 MHz)
PCI Express x16
Host
Interface
MCHCLK (266/200/133 MHz)
DDRII 667
(Note)
/533/400 MHz
DIMM
IT8718
Line-In
3 PCI
PCI Bus
SPDIF In
SPDIF Out
3 PCI Express x1
PCI Express Bus
8 USB
Ports
Dual Channel Memory
Side Speaker Out
Surround Speaker Out
PCIe CLK
(100 MHz)
RTL8111B
x1
LAN
RJ45
PCI CLK(33 MHz)
CODEC
PCIe CLK
(100 MHz)
Intel
®
945P
Intel
®
ICH7
LGA775
Processor
x1
x1
x1
4 SATA 3Gb/s
ATA33/66/100
IDE Channel
BIOS
PS/2 KB/Mouse
COM Port
LPT Port
Floppy

Related product manuals