EasyManua.ls Logo

Glastender MFV24 - MFV Wiring Diagram

Glastender MFV24
18 pages
Print Icon
To Next Page IconTo Next Page
To Next Page IconTo Next Page
To Previous Page IconTo Previous Page
To Previous Page IconTo Previous Page
Loading...
9
Glastender, Inc. • 5400 North Michigan Road • Saginaw, MI • 48604-9780
800.748.0423 • 989.752.4275 • Fax 989.752.4444 • www.glastender.com
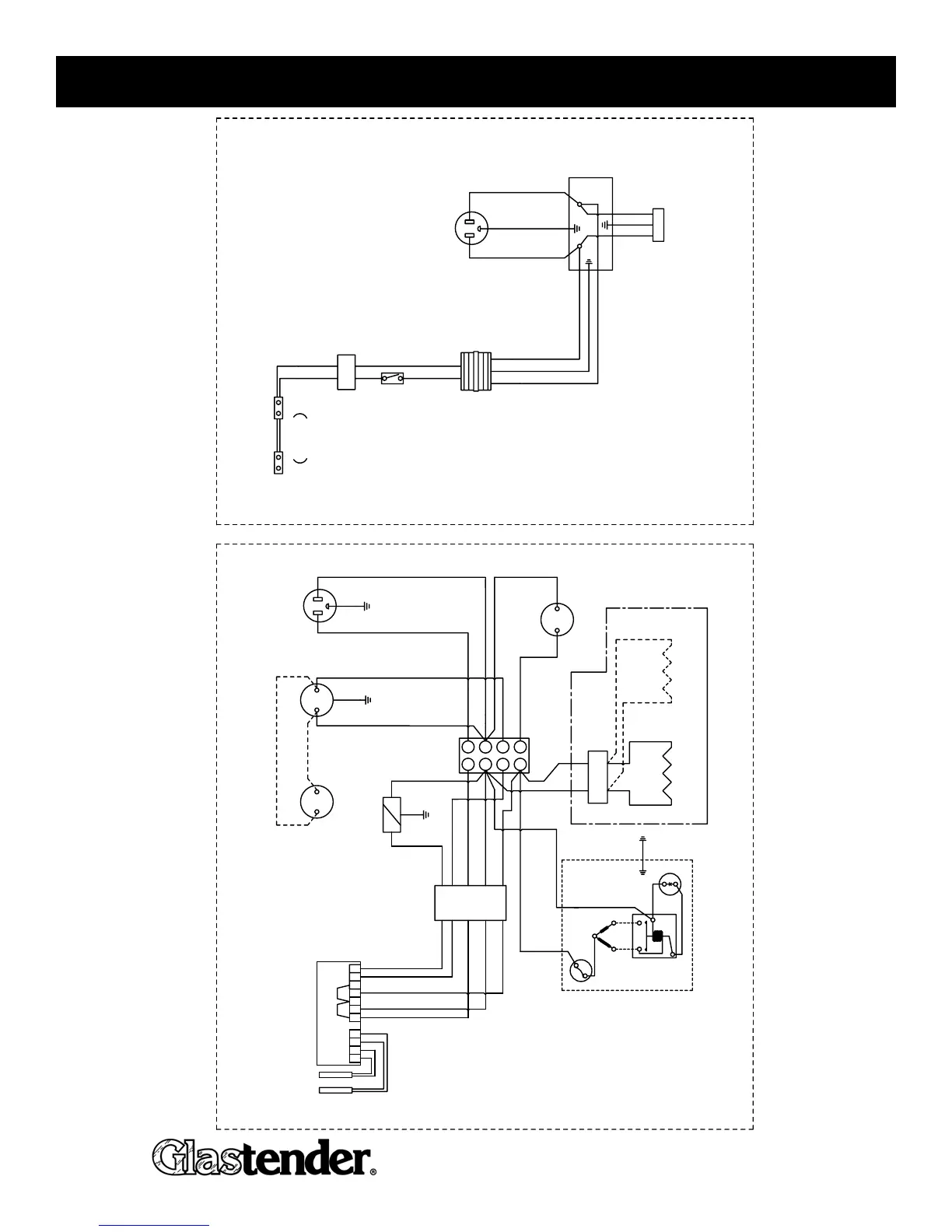
MFV Wiring diagraM
Terminal Strip
Green
White
Blue
Black
Connector
10
1112
Blue
Red
Black
Black
1
2
3
46
7
8
Orange
White
Black
9
Controller
Blue
Red
Solenoid
White
Green
Additional Evaporator Fan
MFV48
Connector
Additional Door Heat Element
MFV48
Door Heat Element
Orange
Orange
White
White
White
Orange
Power Supply
Plug
120V 15A
Condenser Fan
Motor
Start Relay
C
SR
Overload
Start Capacitor
Compressor
White
White
Green
Blue
Black
White
Orange
Black
White
Evaporator Fan
Motor
Ribbed Blk
Orange
Lights Per
Power Supply
120VAC 60HZ 1PH
Optional
230VAC 50HZ 1PH
Junction Box
Brown
Green/Yellow
Blue
White
Black
Green
White
Green
Black
Receptacle
120V 15A
Unit Varies
Connector
Light
Switch
12 VDC
Transformer
120/240VAC 50/60HZ
(-) (+)
(+)(-)
Evaporator/Condenser Unit Lighting

Other manuals for Glastender MFV24

Related product manuals