EasyManua.ls Logo

Glastender MFV24 - FV Wiring Diagram

Glastender MFV24
18 pages
Print Icon
To Next Page IconTo Next Page
To Next Page IconTo Next Page
To Previous Page IconTo Previous Page
To Previous Page IconTo Previous Page
Loading...
8
Glastender, Inc. • 5400 North Michigan Road • Saginaw, MI • 48604-9780
800.748.0423 • 989.752.4275 • Fax 989.752.4444 • www.glastender.com
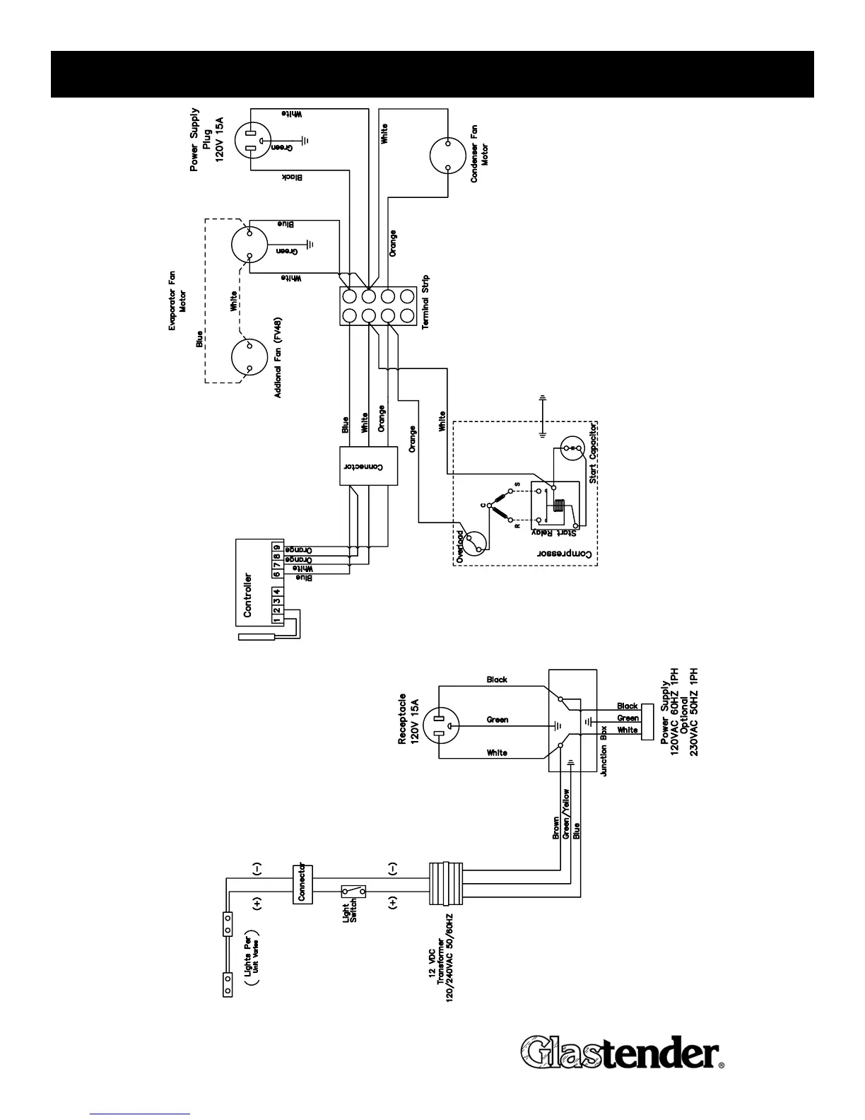
FV Wiring diagraM

Other manuals for Glastender MFV24

Related product manuals