EasyManua.ls Logo

Glide SERIES 8 - Battery Wiring Diagram; 2 X 36 Amp Hour Sealed Deep Cycle Batteries

Default Icon
32 pages
Print Icon
To Next Page IconTo Next Page
To Next Page IconTo Next Page
To Previous Page IconTo Previous Page
To Previous Page IconTo Previous Page
Loading...
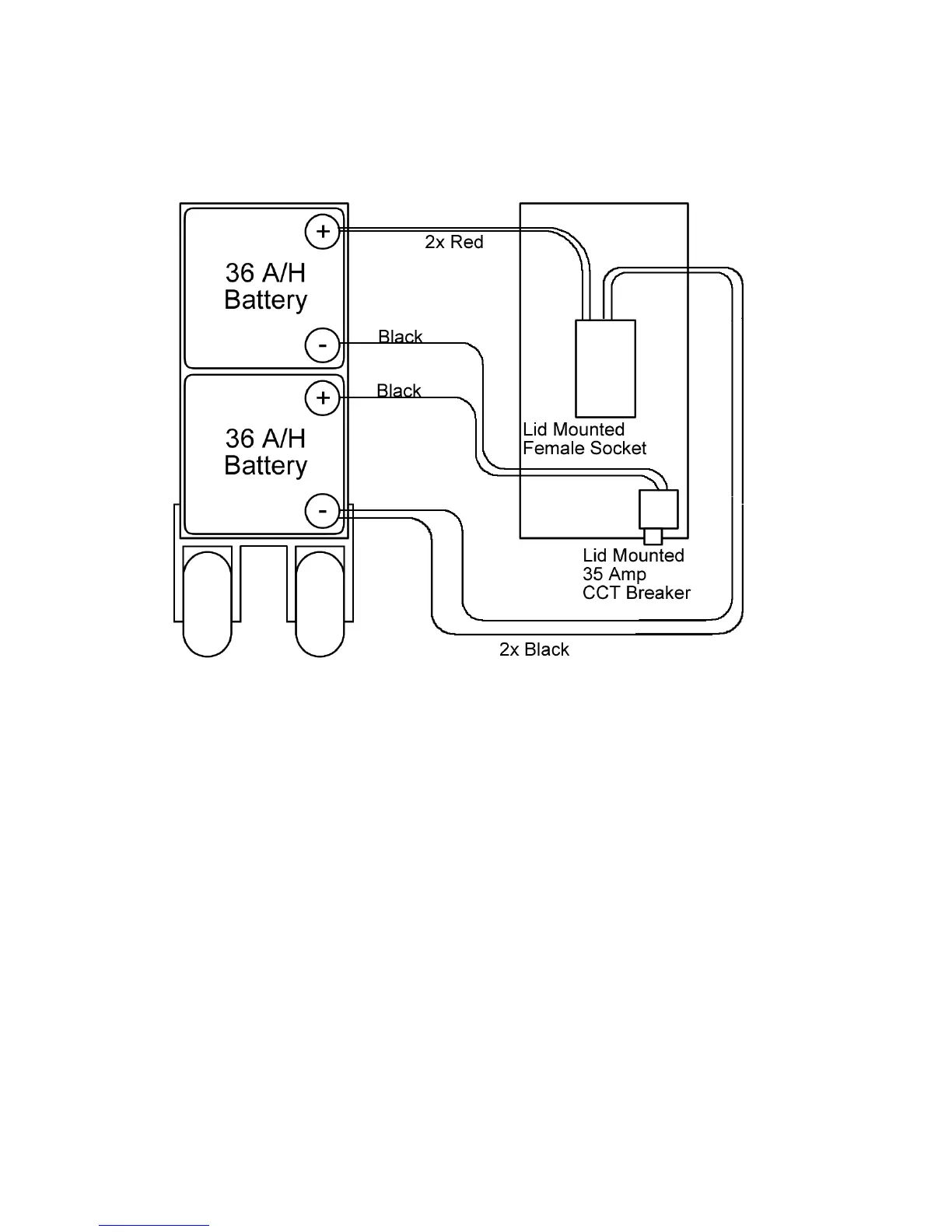
SECTION 13. BATTERY WIRING DIAGRAM
2 x 36Amp Hour Sealed Deep Cycle Batteries
Consult your Glide Rehabilitation Products agent when replacement is required.
Figure 7. Battery Wiring Diagram

Related product manuals