EasyManua.ls Logo

GMC Syclone 4610 - Page 11

GMC Syclone 4610
21 pages
Print Icon
To Next Page IconTo Next Page
To Next Page IconTo Next Page
To Previous Page IconTo Previous Page
To Previous Page IconTo Previous Page
Loading...

*()%$#'*&&%')
air compressor


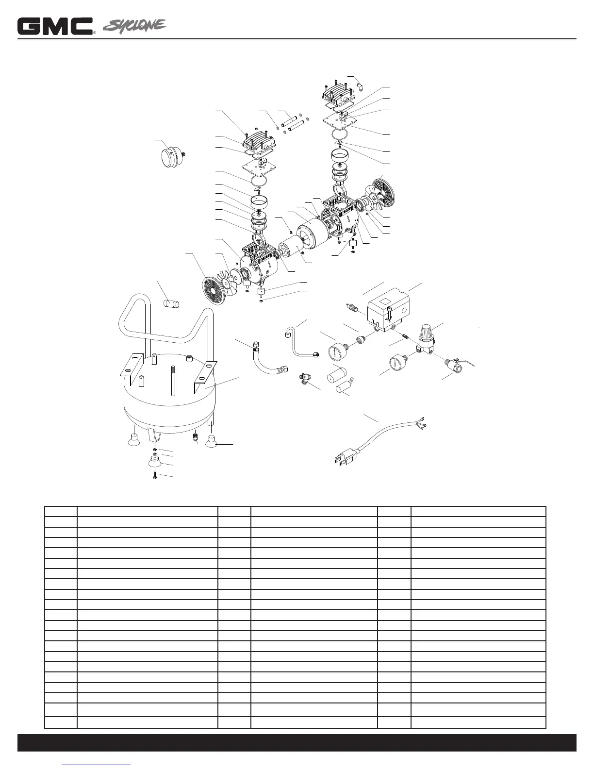
 +9)8/6:/54 +9)8/6:/54  +9)8/6:/54
1>?F5B  1>  &B5CCEB51E75)=1<<
1>  B1>;  &B5CCEB51E75"1B75
B1>;1C5  51B9>7 &B5CCEB51E75?>>53D?B
?>>53D9>7(?4  ?<49>7)3B5G  ?>>53D9>71B
&9CD?>(9>7 855C5514)3B5G  )165DI,1<F5
&<1D5&9>38 B1>;1C5  &B5CCEB5)G9D38
&B5CCEB5&<1D5)3B5G  "5149>7?ED"9>5E1B49B3<5  1@139D?B
I<9>45B  (?D?B&9> 1@139D?B?F5B
I<9>45B%2DEB1D9>7(9>7 #?D?B)3B5G 853;,1<F5
 I<9>45B514%2DEB1D9>7(9>7  )@B9>7-1C85B  +@<?149>7&9@5
 I<9>45B514  )D1D?B  H81ECD&9@5
 I<9>45B514)3B5G  "?3;$ED  *1>;
 ?>>53D9>7?C5%2DEB1D9>7(9>7  (?D?B  1>4<5?F5B
 ?>>53D9>7?C5 51B9>7  $ED
 &1>514)3B5G  )8?3;)DBED -1C85B
 "9=9D54<?3; $ED  ??DEC89?>
 1CC9>7,1<F5&<1D5  9B9<D5B  ?<D
 ,1<F5&<1D5 <2?G  B19>,1<F5

9B>6<?G,1<F5&<1D5 9B?3; ??DEC89?>
 #5D1<)DB5>7D85>)855D  (57E<1D?B &?G5B?B4G9D8&<E7
5*+2
!
!?)254+

Related product manuals