EasyManua.ls Logo

GMT 050 - Hydraulic Schematic for Mounting GMT050 TTC

GMT 050
42 pages
Print Icon
To Next Page IconTo Next Page
To Next Page IconTo Next Page
To Previous Page IconTo Previous Page
To Previous Page IconTo Previous Page
Loading...
GMT 050 User manual
13
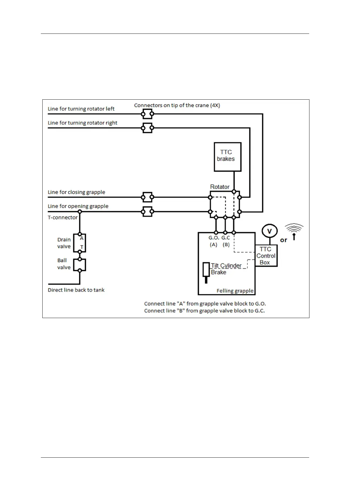
4.6.2 Hydraulic schematic for mounting GMT050 TTC
The GMT050 TTC has a same connection principle as a GMT felling grapple. The additional hoses and
connections are incorporated in the TTC brake unit, TTC control box and the special rotator. An
additional internal hydraulic line will supply the required oil to the TTC brakes by activating the TTC
control box. When an electrical signal is already present at the tip of the crane, like with a telehandler,
the remote control option can be replaced by another activation option.
Simplified schematic for mounting
For example on a telehandler an electrical signal is normally present at the mounting board. An
additional activation signal can be used for the brakes. The remote control box will not be build on the
GMT050 but both manifolds, that are required for the TTC, will be located on the telehandler jib.