EasyManua.ls Logo

Goodman CPG SERIES - Page 38

Goodman CPG SERIES
56 pages
Print Icon
To Next Page IconTo Next Page
To Next Page IconTo Next Page
To Previous Page IconTo Previous Page
To Previous Page IconTo Previous Page
Loading...
38
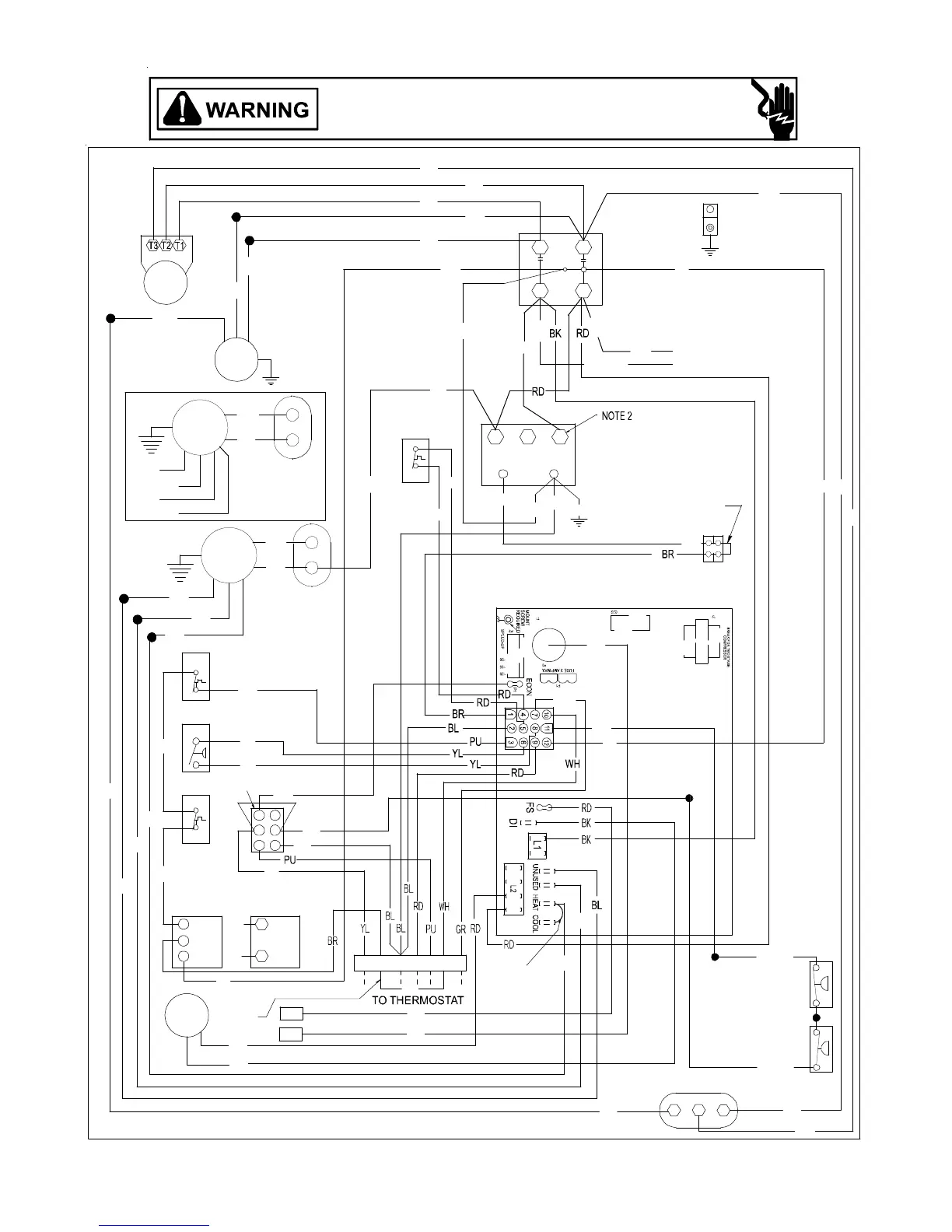
CPG036(048)0901D SINGLE PHASE 240V/60HZ DIRECT DRIVE
HIGH VOLTAGE!
DISCONNECT ALL POWER BEFORE SERVICING OR INSTALLING THIS
UNIT. MULTIPLE POWER SOURCES MAY BE PRESENT. FAILURE TO
DO SO MAY CAUSE PROPERTY DAMAGE, PERSONAL INJURY OR DEATH.
Wiring is subject to change. Always refer to the wiring diagram on the unit for the most up-to-date wiring.
YL RD
IIC
C
RD
OR
YL
SEE NOTE 8
GREEN JUMPER
ALS
GR
PS
RS
PLF
YL
YL
NOTE 4
GAS VALVE
MV
2
1 4
5
YL
BL
W. R.
GAS VALVE
PU
(
ALT.
)
HONEYWELL
3 6
YL
BR
PU
PU
PU
BK
BR
RGY1W1
OR
RD
C
MV
FS
IGN
VM
BL
RD
BL
BK
GV
GV
TB1
YL
GR
Y2
321
RD
RD
LS
208
TR
BL
24V
C
PK
240
RD
PU
S1
PK
TB1
S2
FOR
SMOKE/FIRE
DETECTOR
REPLACE
JUMPER
BL/PK
YL/PK
HPS
LPS
BL GR
BK
BR
RD
PU
EM
BL
3 SPEED
PU
ALTERNATE
MOTOR
6-WIRES
SEE NOTE 6 & 7
BC
BC
3 SPEED
BL
EM
RD
BK
BR
RD
PU
SEE NOTE 7
RD
BK
YL
SEE
NOTE 9
F
H
W2
YL
BL
WH
YL/PK
RCCF
GND
YL
208-240/1/60
SEE NOTE 5
RD
YL
L2
C
T2
L1
T1
BK
BK
PU
RD
BL
BK
BL
PU
BR
CM
BK
COMP
208-240/1/60 0140L00506 REV A