EasyManua.ls Logo

Goodman GMEC960403ANAA - Checking Temperature Rise; Checking Static Pressure; Checking Primary Limit Control

Goodman GMEC960403ANAA
64 pages
Print Icon
To Next Page IconTo Next Page
To Next Page IconTo Next Page
To Previous Page IconTo Previous Page
To Previous Page IconTo Previous Page
Loading...
SERVICING
49
4. Consult proper tables for the quantity of air.
If the total external static pressure exceeds the minimum
or maximum allowable statics, check for closed dampers,
registers, undersized and/or oversized poorly laid out duct
work.
.


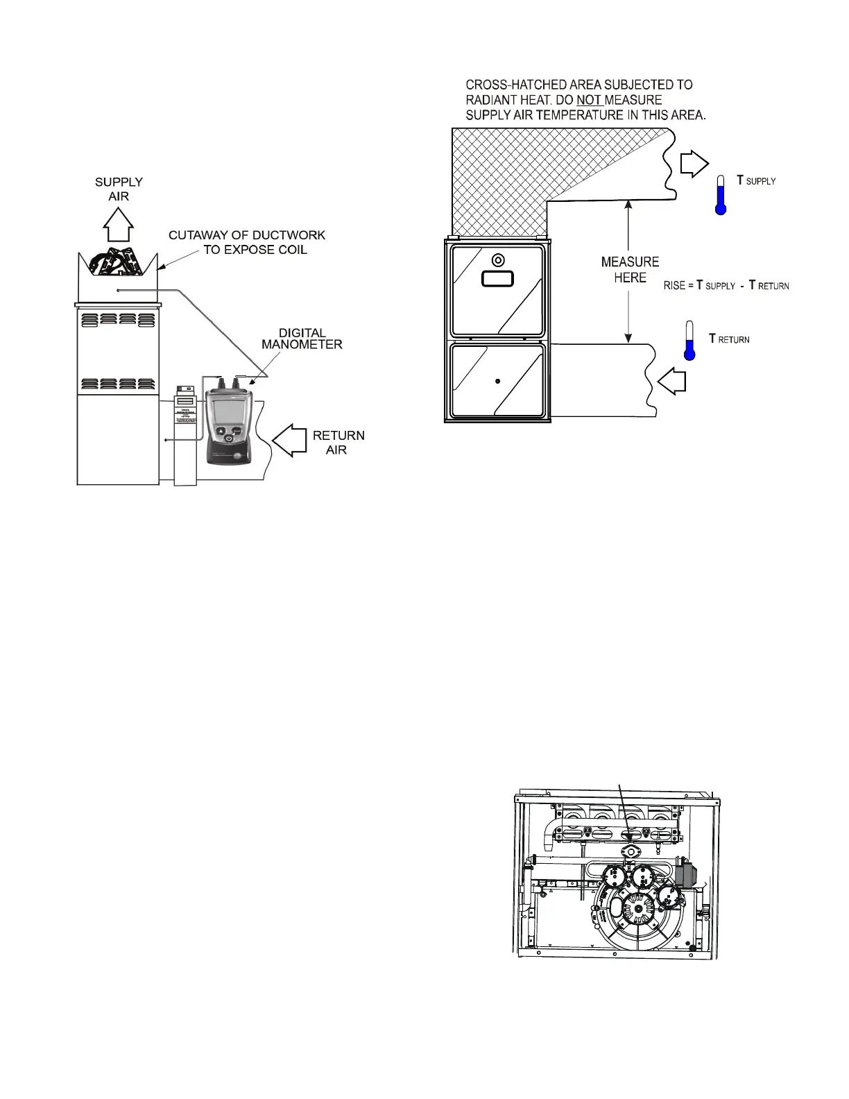
The more air (CFM) being delivered through a given furnace,
the less the rise will be; so the less air (CFM) being delivered,
the greater the rise. The temperature rise should be adjusted
in accordance to a given furnace specifications and its
external static pressure. An incorrect temperature rise may
result in condensing in or overheating of the heat exchanger.

     
temperature rise as follows:
 
minutes. Check BTU input to furnace - do not exceed
input rating stamped on rating plate. Ensure all registers

partially open) position.
2. Place thermometers in the return and supply ducts as
close to the furnace as possible. Thermometers must not

heat exchanger.
SUPPLY
AIR
RETURN
AIR

3. Subtract the return air temperature from the supply air
temperature to determine the air temperature rise. Allow
adequate time for thermometer readings to stabilize.
4. Adjust temperature rise by adjusting the circulator blower
speed. Increase blower speed to reduce temperature rise.
Decrease blower speed to increase temperature rise.
Refer to Circulator Blower Speed section in the Product
Design section of this manual for speed changing details.
Temperature rise is related to the BTUH output of the
furnace and the amount of air (CFM) circulated over the
heat exchanger. Measure motor current draw to determine
that the motor is not overloaded during adjustments.

All primary limit controls are nonadjustable, automatic reset,
bi-metal type limit control. Refer to the following drawing for
the location of the primary limit.
PRIMARY LIMIT
CONTROL



Table of Contents