EasyManua.ls Logo

Gooligum Electronics Baseline and Mid-Range PIC - Page 28

Gooligum Electronics Baseline and Mid-Range PIC
31 pages
Print Icon
To Next Page IconTo Next Page
To Next Page IconTo Next Page
To Previous Page IconTo Previous Page
To Previous Page IconTo Previous Page
Loading...
© Gooligum Electronics 2015 www.gooligum.com.au
Baseline and mid-range PIC training and dev board operation guide Page 28
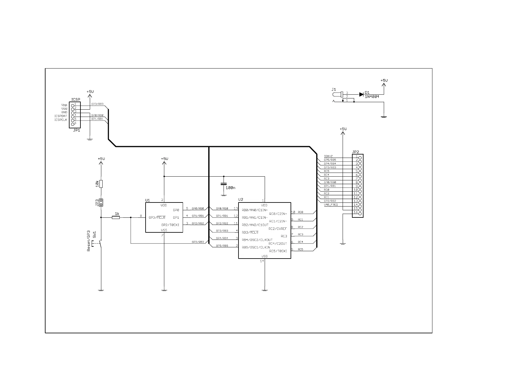
Appendix C Schematics
Sheet 1: Main