EasyManua.ls Logo

Graco MARK IV - Page 56

Graco MARK IV
88 pages
Print Icon
To Next Page IconTo Next Page
To Next Page IconTo Next Page
To Previous Page IconTo Previous Page
To Previous Page IconTo Previous Page
Loading...
Diagrams and Parts
56 3A6342A
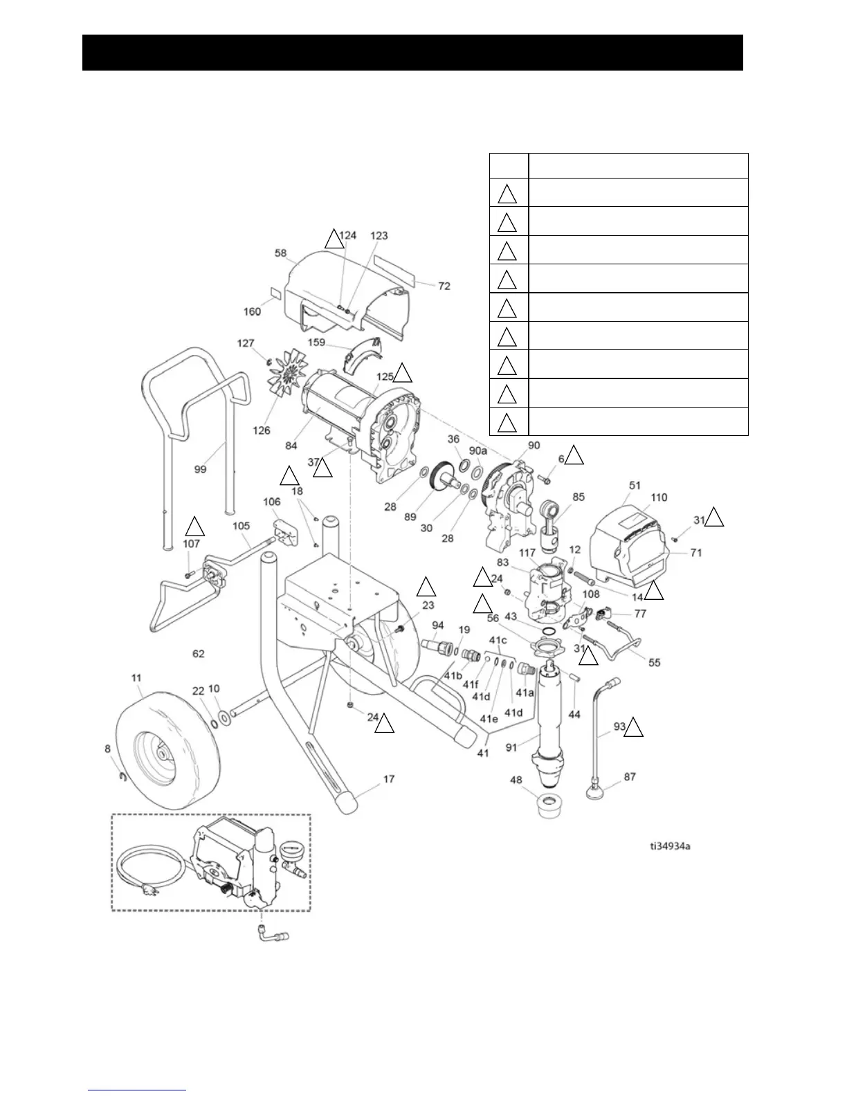
Mark X Standard Diagram
9
9
1
2
9
3
3
3
4
5
6
6
7
8
Ref. Torque
40-45 in-lb (4.5 - 5.0 N•m)
55-60 in-lb (6.2 - 6.7 N•m)
200-230 in-lb (22.6 - 25.9 N•m)
190-210 in-lb (21.4 - 23.7 N•m)
22-28 in-lb (2.4 - 3.1 N•m)
25-30 ft-lb (33.8 - 40.6 N•m)
70-80 ft-lb (94.9 - 108.4 N•m)
130-150 in-lb (14.6 - 16.9 N•m)
65-85 in-lb (7.3 - 9.6 N•m)
1
2
3
4
5
6
7
8
9
See pages 72-77.

Other manuals for Graco MARK IV

Related product manuals