EasyManua.ls Logo

Graco MARK IV - Page 62

Graco MARK IV
88 pages
Print Icon
To Next Page IconTo Next Page
To Next Page IconTo Next Page
To Previous Page IconTo Previous Page
To Previous Page IconTo Previous Page
Loading...
Diagrams and Parts
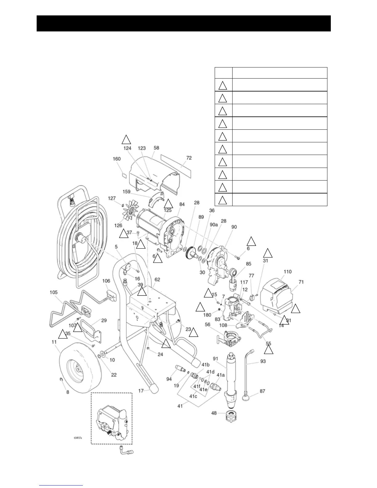
62 3A6342A
Mark X ProContractor
10
1
1
Ref. Torque
40-45 in-lb (4.5 - 5.0 N•m)
55-60 in-lb (6.2 - 6.7 N•m)
200-230 in-lb (22.6 - 25.9 N•m)
190-210 in-lb (21.4 - 23.7 N•m)
120-130 in-lb (13.5 - 14.6 N•m)
25-30 ft-lb (33.8 - 40.6 N•m)
38-42 ft-lb (51.5 - 56.9 N•m)
130-150 in-lb (14.6 - 16.9 N•m)
90-110 in-lb (10.1 - 12.4 3 N•m)
65-85 in-lb (7.3 - 9.6 N•m)
1
2
3
4
5
6
7
8
9
10
10
1
2
3
3
3
4
4
5
6
6
7
8
9
See pages 72-77.
See Page 68

Other manuals for Graco MARK IV

Related product manuals