EasyManua.ls Logo

Graco MARK IV - Page 64

Graco MARK IV
88 pages
Print Icon
To Next Page IconTo Next Page
To Next Page IconTo Next Page
To Previous Page IconTo Previous Page
To Previous Page IconTo Previous Page
Loading...
Diagrams and Parts
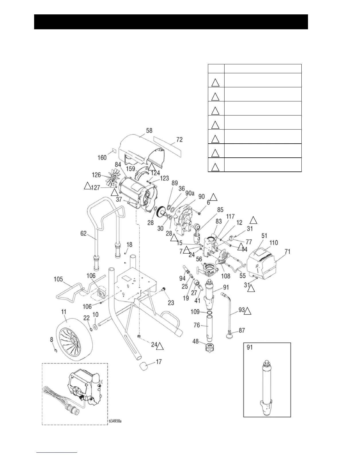
64 3A6342A
1095/1595/Mark V/Mark VII IronMan
7
1
1
2
3
7
3
4
5
6
6
See pages 72-77.
Ref. Torque
40-45 in-lb (4.5 - 5.0 N•m)
9-11 in-lb (1.0 - 1.2 N•m)
200-230 in-lb (22.6 - 25.9 N•m)
190-210 in-lb (21.4 - 23.7 N•m)
90-110 in-lb (10.1 - 12.4 N•m)
25-30 ft-lb (33.8 - 40.6 N•m)
65-85 in-lb (7.3 - 9.6 N•m)
1
2
3
4
5
6
7
Mark V and
Mark VII

Other manuals for Graco MARK IV

Related product manuals