EasyManua.ls Logo

Graco MARK V - Page 77

Graco MARK V
88 pages
Print Icon
To Next Page IconTo Next Page
To Next Page IconTo Next Page
To Previous Page IconTo Previous Page
To Previous Page IconTo Previous Page
Loading...
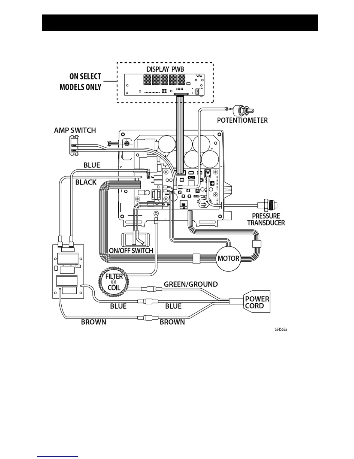
Wiring Diagrams
3A6342A 77
Mark X (International)

Other manuals for Graco MARK V

Related product manuals