EasyManua.ls Logo

Grasshopper 126V/52 - Page 51

Grasshopper 126V/52
68 pages
Print Icon
To Next Page IconTo Next Page
To Next Page IconTo Next Page
To Previous Page IconTo Previous Page
To Previous Page IconTo Previous Page
Loading...
51
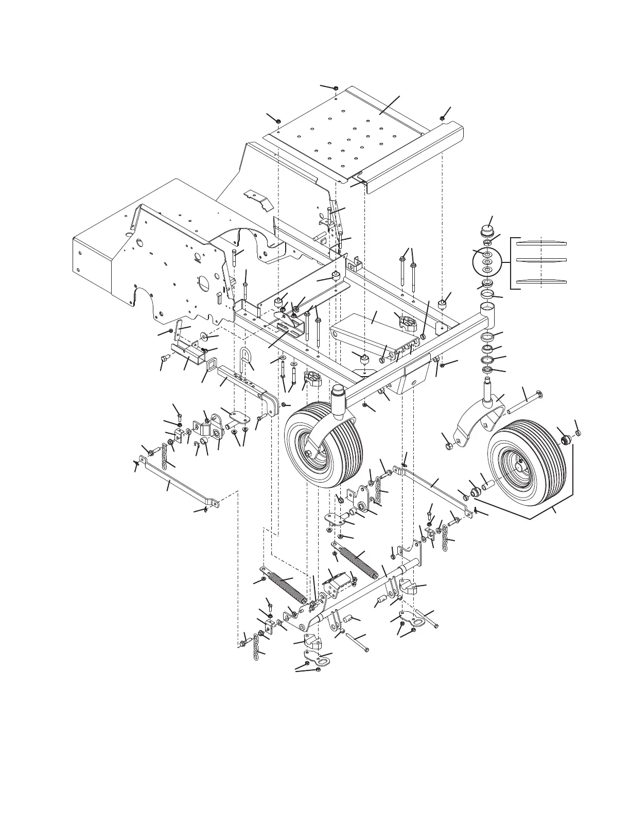
DECK CARRIER LINKAGE
Rev. 08-16
1
2
2
2
2
3
3
3
3
3
3
4
6
5
5
6
3
7
8
9
10
10
11
11
3
3
3
11
11
3
12
12
12
12
13
13
14
15
15
16
16
17
17
18
18
19
19
20
20
20
20
20
21
21
22
23
24
24
25
25
25
26
26
26
27
27
27
27
28
29
29
29
28
56
56
29
28
28
29
56
30
31
31
30
31
31
32
32
33
33
34
35
36
37
38
39
40
41
41
41
42
43
44
44
45
6
11
47
48
49
46
50
51
52
53
54
15025C
55
45
45
45
57
58
11
59

Table of Contents

Related product manuals