EasyManua.ls Logo

Grasshopper 126V/52 - Page 55

Grasshopper 126V/52
68 pages
Print Icon
To Next Page IconTo Next Page
To Next Page IconTo Next Page
To Previous Page IconTo Previous Page
To Previous Page IconTo Previous Page
Loading...
55
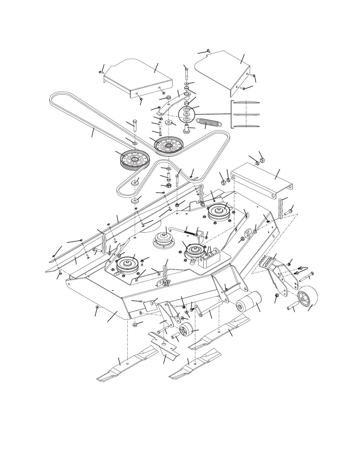
DECK ASSEMBLY - MODEL 124V/48R
Rev. 06-17
1
2
3
4
5
6
6
6
7
7
8
9
10
11
12
13
14
15
42
16
17
18
18
19
20
21
22
22
26
26
27
28
29
30
30
31
32
30
33
34
35
40
11
30
35
46
29
43
44
45
45
47
47
44
43
45
45
43
47
48
48
49
50
51
52
52
35
52
52
14
14
53
53
14
29
54
55
41
8
23
25
25
56
56
24
18
30
29
36
37
38
39
15002E

Table of Contents

Related product manuals