EasyManua.ls Logo

Grasshopper 126V/52 - Page 63

Grasshopper 126V/52
68 pages
Print Icon
To Next Page IconTo Next Page
To Next Page IconTo Next Page
To Previous Page IconTo Previous Page
To Previous Page IconTo Previous Page
Loading...
63
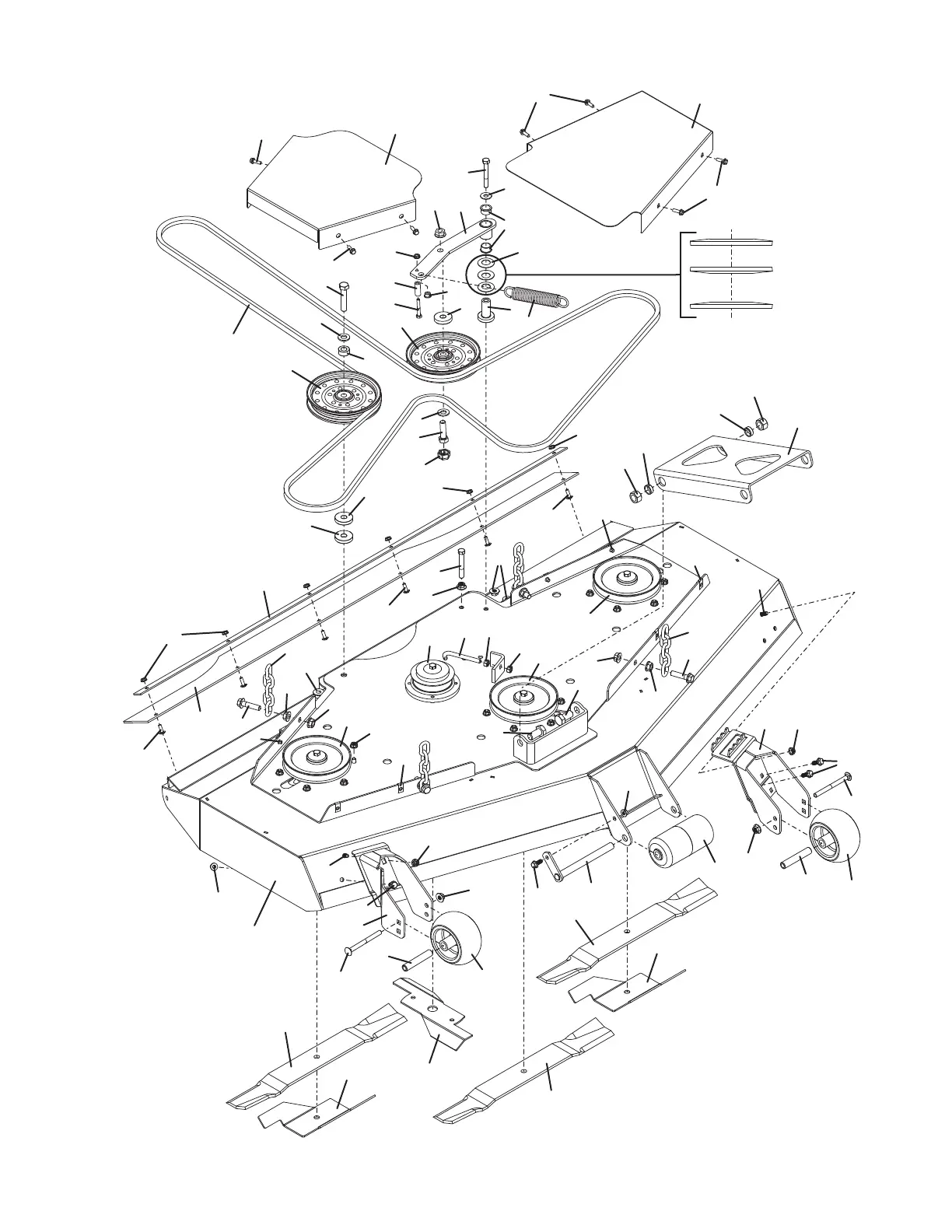
DECK ASSEMBLY - MODEL 126V/61R
1
2
3
4
5
6
7
8
7
6
6
8
9
10
11
12
13
14
15
14
14
14
17
16
18
18
18
18
11
19
20
21
22
22
23
24
24
25
25
26
26
26
27
28
29
30
30
30
29
29
29
29
31
32
30
30
33
33
34
34
34
35
35
36
37
38
37
38
39
39
40
40
40
40
41
42
43
44
45
45
43
44
45
45
46
47
47
47
47
48
48
48
49
50
50
51
52
16031
Rev. 07-16

Table of Contents

Related product manuals