EasyManua.ls Logo

Grasshopper 34 Series - Power Fold Wiring Diagram

Grasshopper 34 Series
40 pages
Print Icon
To Next Page IconTo Next Page
To Next Page IconTo Next Page
To Previous Page IconTo Previous Page
To Previous Page IconTo Previous Page
Loading...
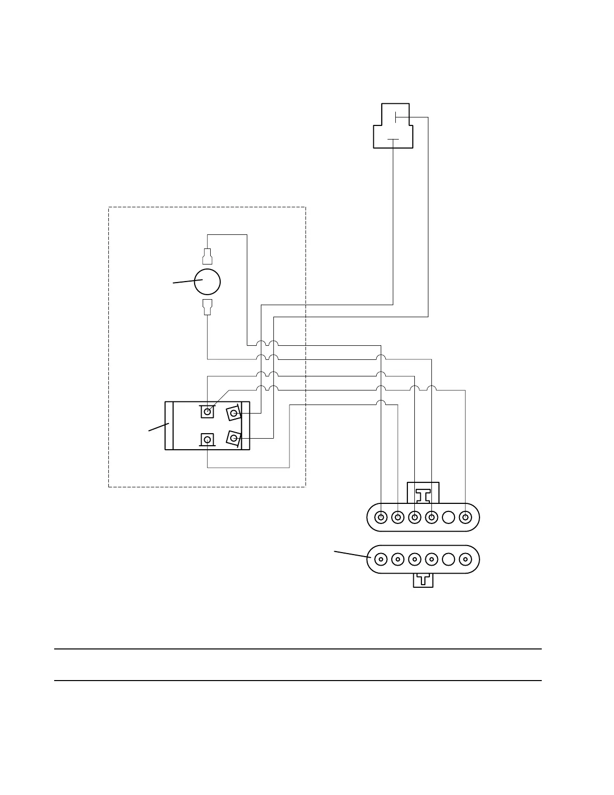
POWERFOLD
®
WIRING DIAGRAM
ItemItem
ItemItem
Item
OrderOrder
OrderOrder
Order
DescriptionDescription
DescriptionDescription
Description
No.No.
No.No.
No.
No.No.
No.No.
No.
Item Item
Item Item
Item
Order Order
Order Order
Order
DescriptionDescription
DescriptionDescription
Description
No. No.
No. No.
No.
No. No.
No. No.
No.
605965 Wiring Harness Deck Tilt/Height
Adjust
1 183867 Switch - Plunger
(not included in kit)
2 184084 Toggle Switch
03113
BLUE/WHITE
BLACK
GREEN
GREEN
WHITE/RED
2
1
ABCDEF
ABCDEF
BLACK
WHITE
TO UNIVERSAL
WIRING HARNESS
2 WAY FEMALE CONNECTOR
TO ACTUATOR MOTOR
36
01-03113
Rev. 06-08

Related product manuals