EasyManua.ls Logo

Gravely 20979 - Page 11

Gravely 20979
19 pages
Print Icon
To Next Page IconTo Next Page
To Next Page IconTo Next Page
To Previous Page IconTo Previous Page
To Previous Page IconTo Previous Page
Loading...
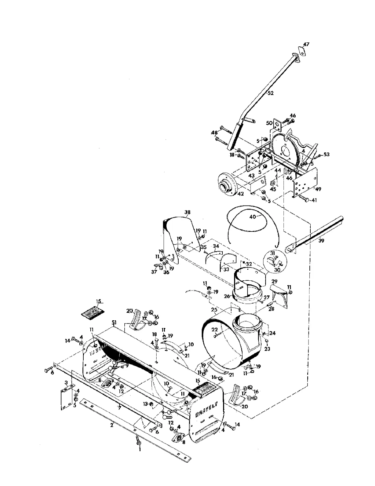
SNOWBLOWERS, 38" & 44"
FRAME ASSEMBLY