EasyManua.ls Logo

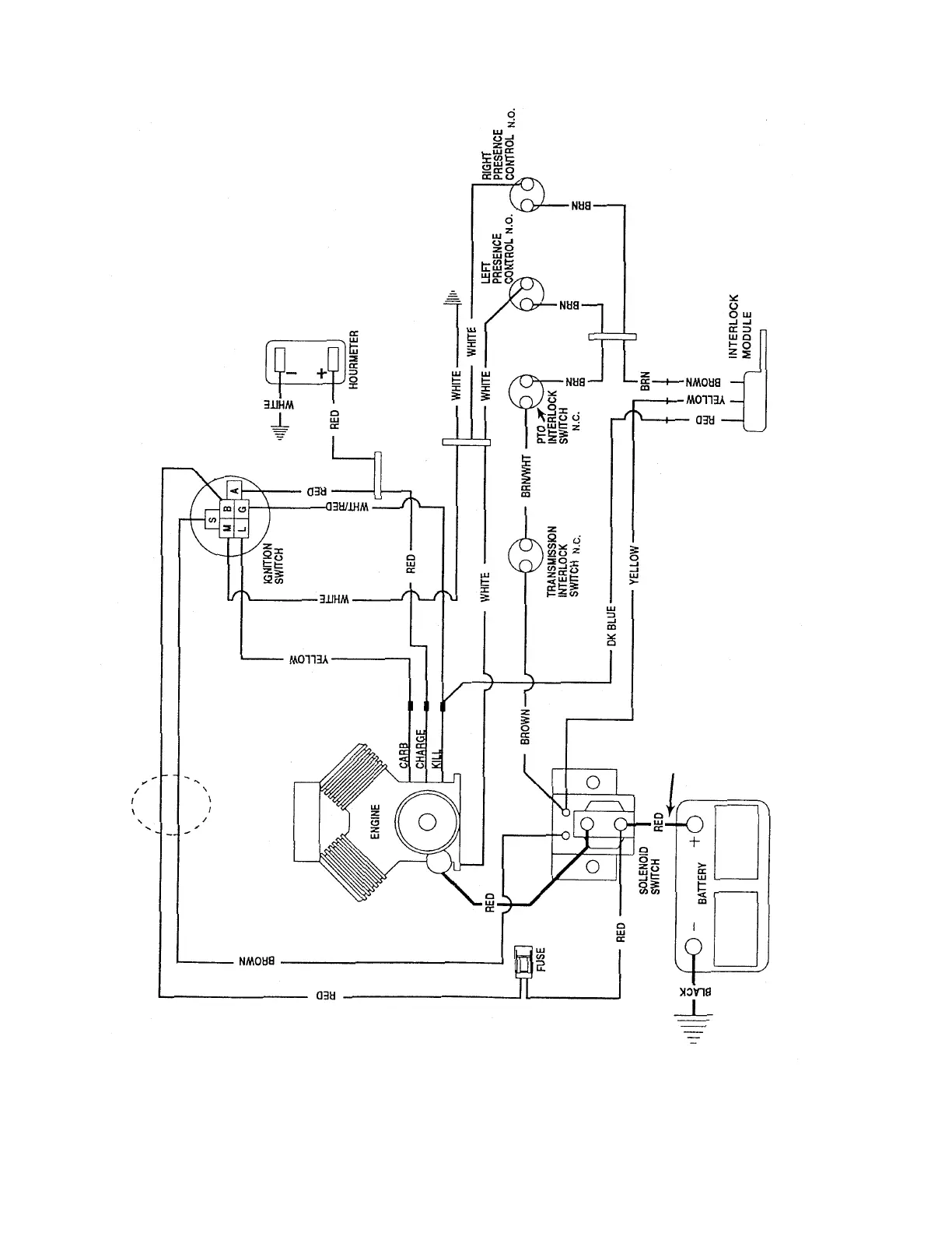
Gravely 988059 - Wiring Diagram Pro 200 Briggs & Stratton

Gravely 988059
46 pages
Print Icon
To Next Page IconTo Next Page
To Next Page IconTo Next Page
To Previous Page IconTo Previous Page
To Previous Page IconTo Previous Page
Loading...
9 - 42
Pro 200, Briggs & Stratton 16 HP

Table of Contents

Related product manuals