EasyManua.ls Logo

Gravely 988075 - Page 42

Gravely 988075
46 pages
Print Icon
To Next Page IconTo Next Page
To Next Page IconTo Next Page
To Previous Page IconTo Previous Page
To Previous Page IconTo Previous Page
Loading...
9 - 42
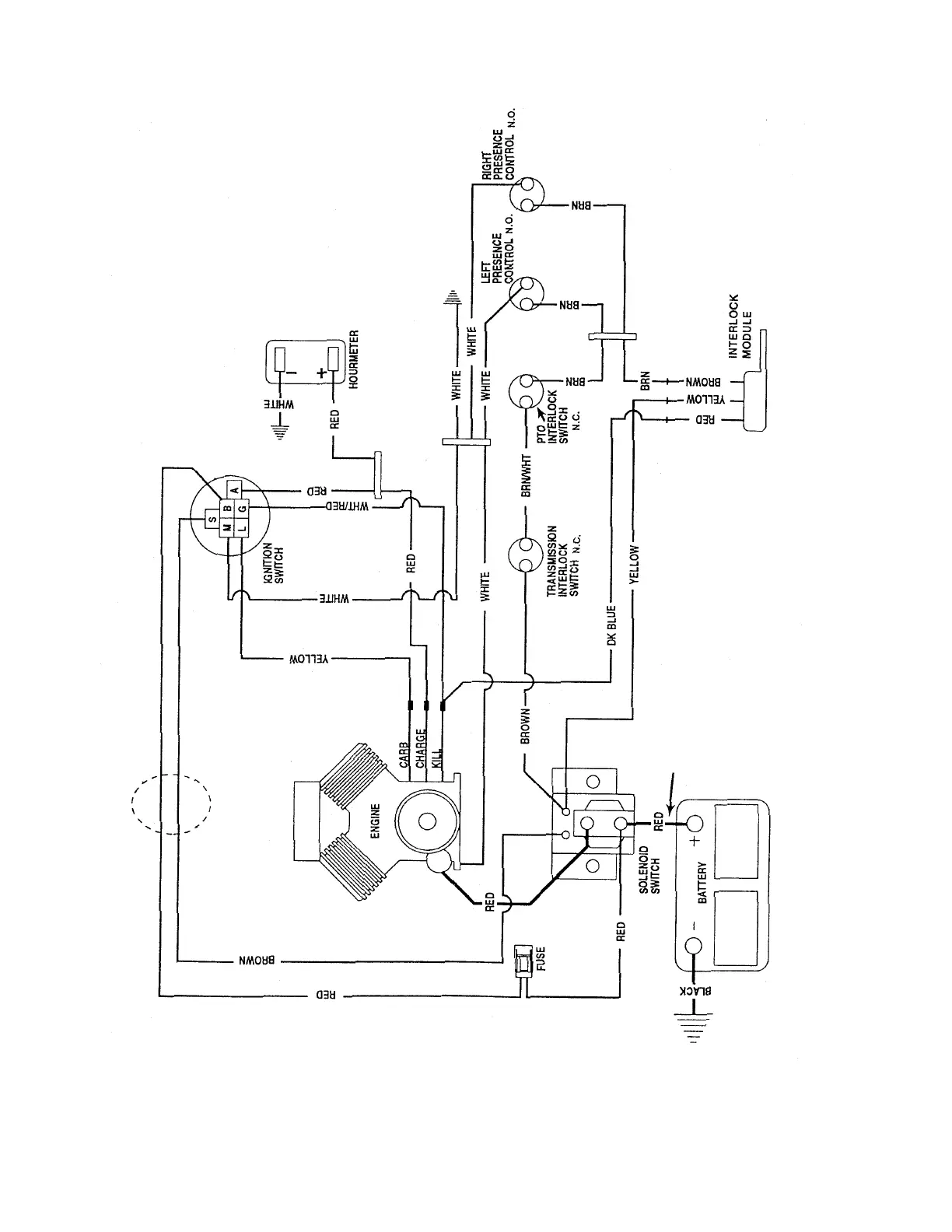
Pro 200, Briggs & Stratton 16 HP

Table of Contents

Related product manuals