EasyManua.ls Logo

Gree FGR20Pd/DNa-X - Page 61

Gree FGR20Pd/DNa-X
129 pages
To Next Page IconTo Next Page
To Next Page IconTo Next Page
To Previous Page IconTo Previous Page
To Previous Page IconTo Previous Page
Loading...
GREE Duct type split Air conditioner Inverter Series
59
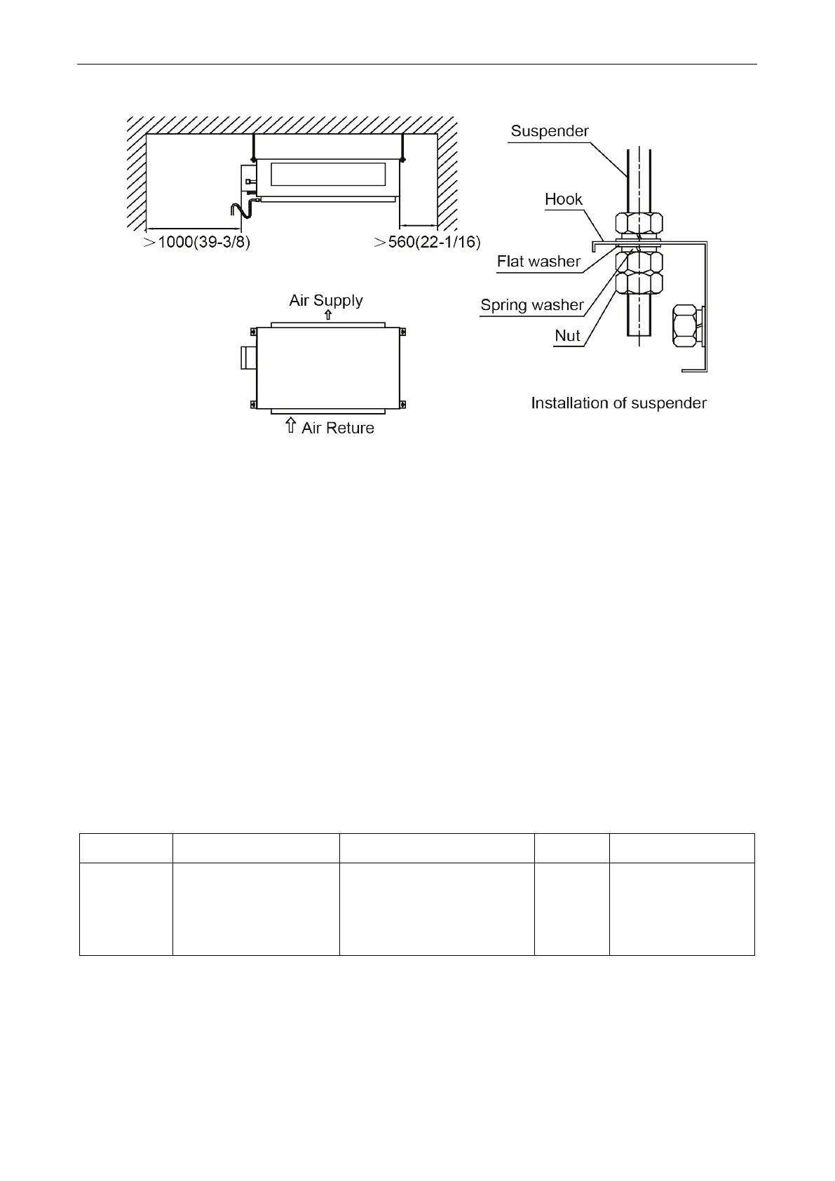
3.2 Installation space
3.3 External static pressure setting and reading
3.3.1 External static pressure setting
You can enter P67 select the way of adjusting static pressure for the blast pipe manually or
automatically.The default value is 00,which means adjusting manually.
(1) If you choose 00,you can select the suitable level for any blast pipes. It can reach to 250Pa.You
can enter P30 to set the value.
1) Long press FUNCTION button for 5s and the temperature zone displays “C00”; long press
FUNCTION button for another 5s to enter the interface of setting wired controller parameters.
“P00” is displayed in temperature zone.
2) Press “” or “” button to select parameter code. Press MODE button to enter parameter
setting. At that time, parameter value is blinking. Press “” or “” button to adjust the
parameter value and press ENTER/CANCEL button to finish setting.
3) Press ENTER/CANCEL button to return to last step until exists setting parameters.
The parameter setting list is as following:
Parameter
code
Parameter name Parameter range
Default
value
Note
P30
Set static pressure of
indoor fan motor
01-09: static pressure level of
indoor fan motor
05
There are 9 static
pressure level:
01, 02, 03, 04, 05, 06,
07, 08, 09
Note:
Under parameter setting status, FAN, TIMER, SLEEP and SWING button are invalid. Press.
ON/OFF button to go back to home page, but not turning on/off the unit.
If the power cord is more than 15 m (49-1/4 ft.) long, please increase properly the sectional
area of power cord to avoid overload, which may cause accident.

Other manuals for Gree FGR20Pd/DNa-X

Related product manuals