EasyManua.ls Logo

Gree GMV-ND22ZA/A-T - Fresh Air Processing Unit

Gree GMV-ND22ZA/A-T
276 pages
To Next Page IconTo Next Page
To Next Page IconTo Next Page
To Previous Page IconTo Previous Page
To Previous Page IconTo Previous Page
Loading...
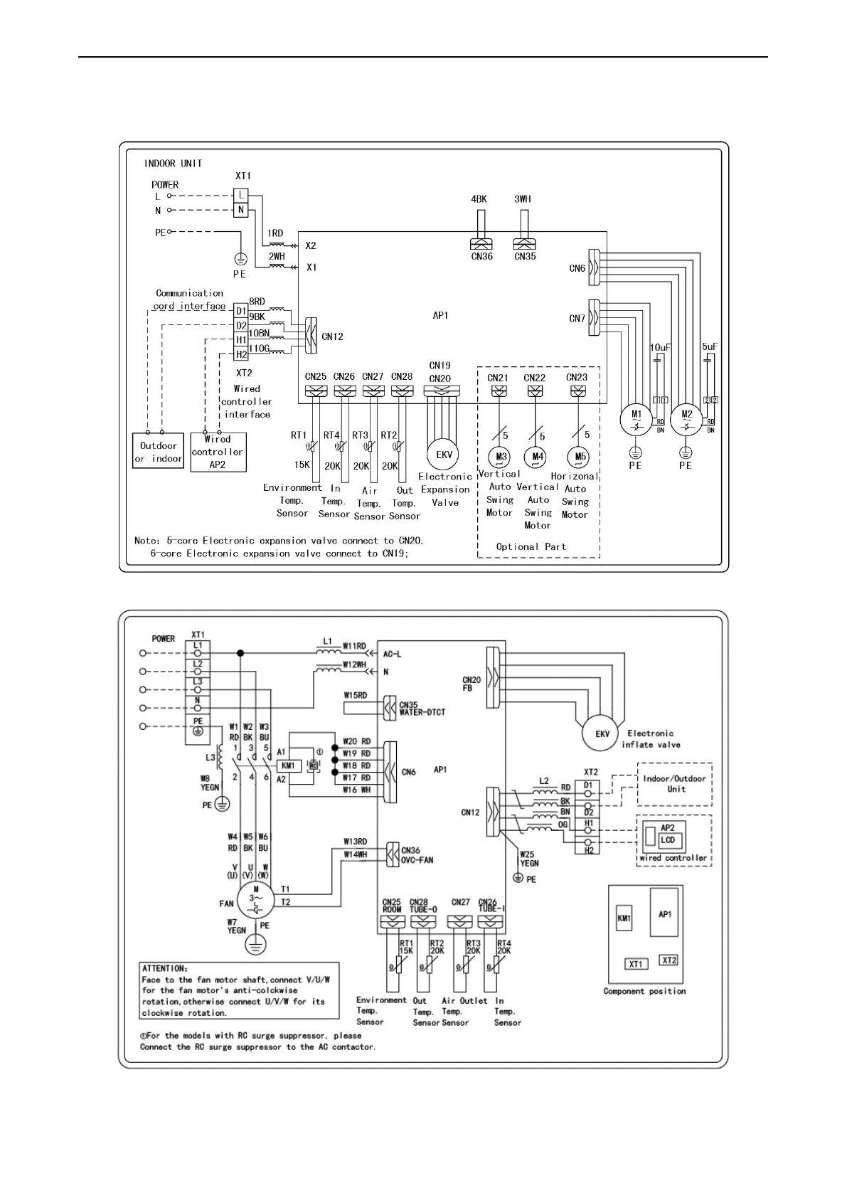
GREE GMV5 INDOOR UNIT SERVICE MANUAL
152
3.9 Fresh air Processing Unit
GMV-NX140P/A(X1.2)-K:
GMV-NX224P/A(X2.0)-M, GMV-NX280P/A(X2.5)-M, GMV-NX280P/A(X3.0)-M:

Table of Contents

Other manuals for Gree GMV-ND22ZA/A-T

Related product manuals