EasyManua.ls Logo

Gree GMV series

Gree GMV series
69 pages
To Next Page IconTo Next Page
To Next Page IconTo Next Page
To Previous Page IconTo Previous Page
To Previous Page IconTo Previous Page
Loading...
GMV DC Inverter VRF
17
Outdoor Model
Gas pipe size mm(in.)
Liquid pipe size mm(in.)
GMV-360WM/B-F(U)
No need to enlarge pipe size
Φ22.2(7/8)
(3) If the length between an IDU and its nearest branch is above 10m (32-4/5ft.), then
increase the size of the liquid pipe of IDU (only for the pipe size that is≤6.35mm (1/4in.).
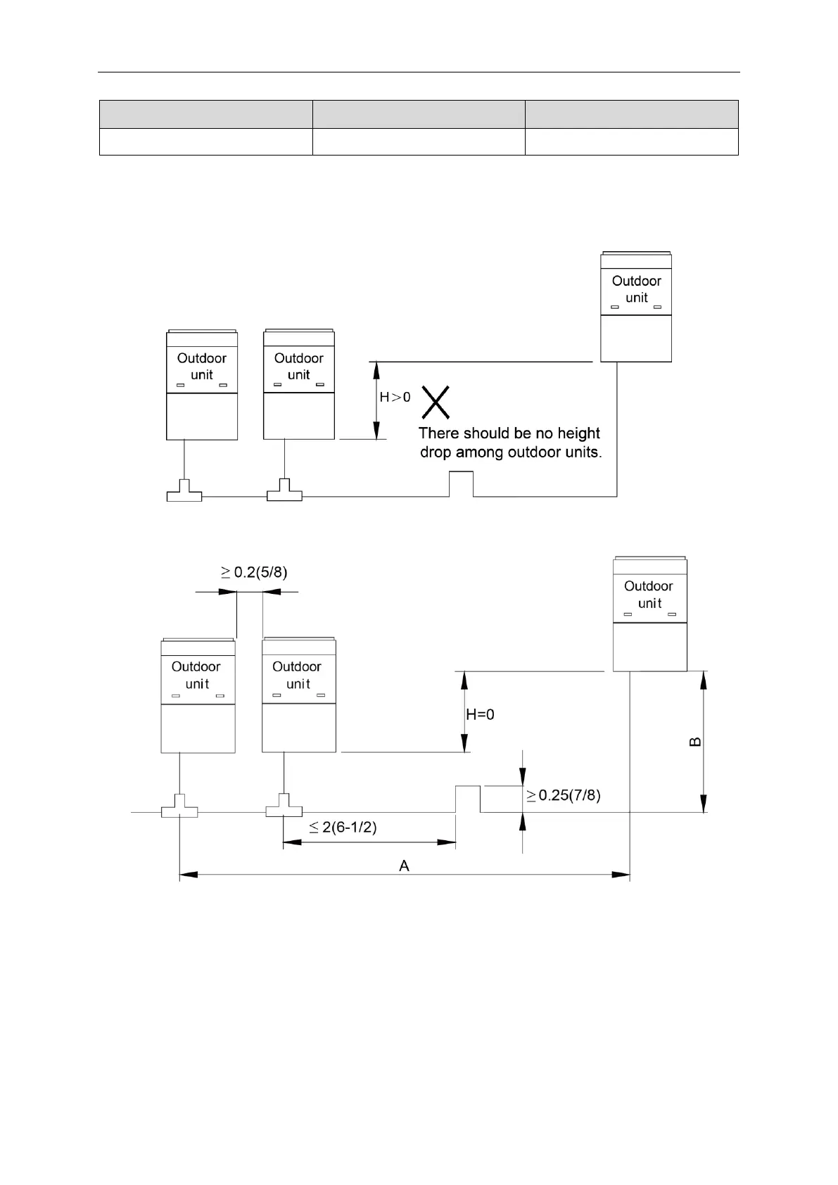
4.3.4 Connection Pipe among Outdoor Modules
Fig.23
Unit: m (ft.)
Fig.24
NOTICE!
When the distance between outdoor units exceeds 2m (6-1/2ft.), U-type oil trap
should be added at low-pressure gas pipe. A+B
10m (32-7/8ft.).

Other manuals for Gree GMV series

Related product manuals