EasyManua.ls Logo

Gree GWH12AGB-K6DNA1A/O

Gree GWH12AGB-K6DNA1A/O
220 pages
To Next Page IconTo Next Page
To Next Page IconTo Next Page
To Previous Page IconTo Previous Page
To Previous Page IconTo Previous Page
Loading...
51
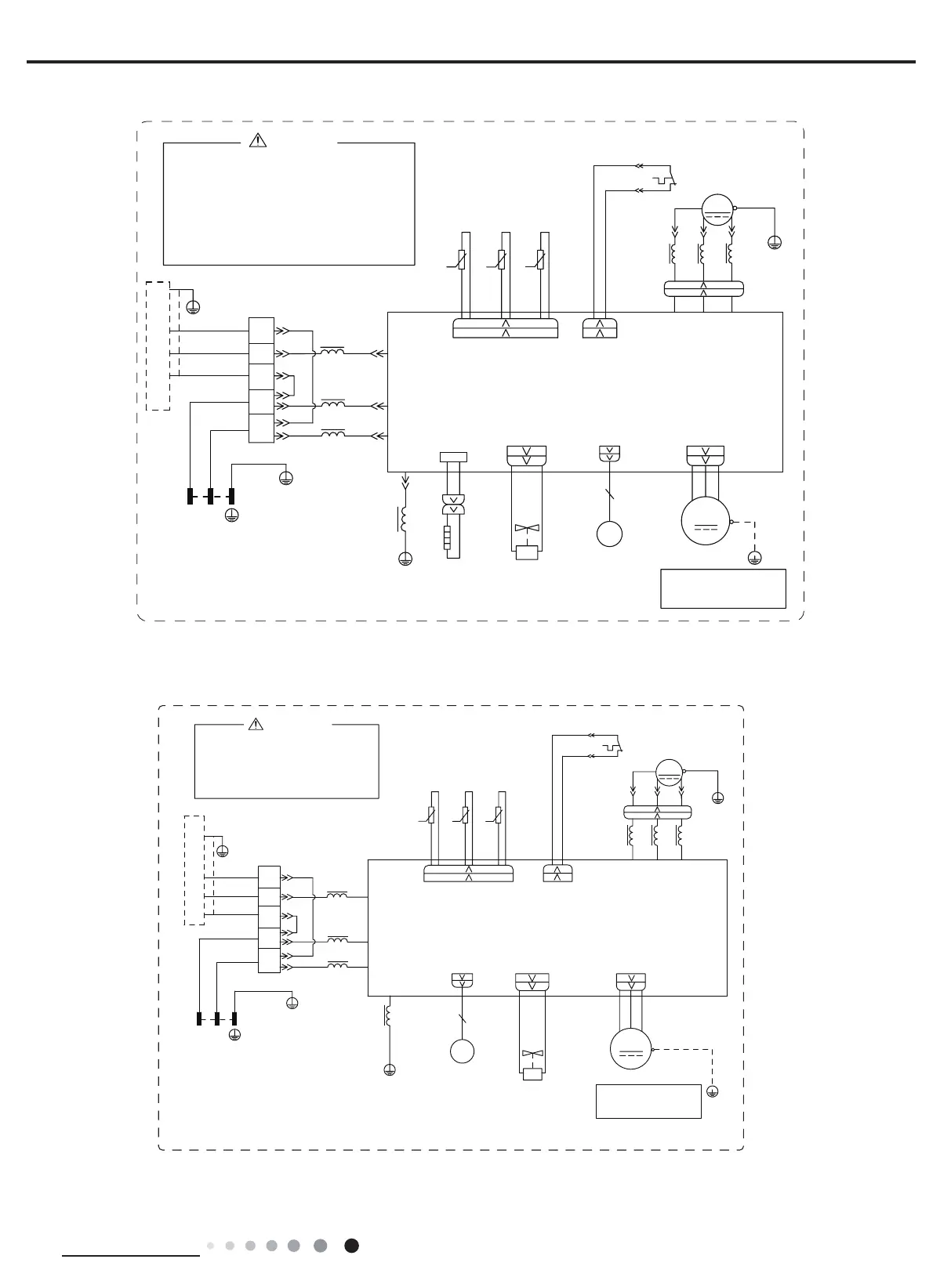
Technical Information
Service Manual
GWH24QE-K6DNA1E/O(CB419W15700)
60000700033902
3OHDVHGRQWWRXFKDQ\
HOHFWURQLFFRPSRQHQWRU
WHUPLQDOZKHQWKHPDFKLQHLV
UXQQLQJVWRSSLQJRUKDV
EHHQSRZHUHGRIIIRUOHVV
WKDQPLQXWHVWRSUHYHQW
WKHULVNRIHOHFWULFVKRFN
:$51,1*
&20,11(5
1
$&B/
1
/
<(*1
%8
3(
1
/
1
%1
%.
%8
;7
,1'22581,7
5,1*
%1
%8
%/2&.
7(50,1$/
0$*1(7,&
32:(5
%1%.
76(1625
&203
/
:
9
8
35,17('&,5&8,7%2$5'
3(
<(*1
)$102725
:$< 2)$1)$
7979
9$/9(
<9
:$<
0
3(
(.9
(OHFWURQLF
([SDQVLRQ
9DOYH
3(
<(*1
3(
5,1*
0$*1(7,&
29(5/2$'3527(&725
<(*1
:5'9<(8%8
8%(<
5'
3(
3(
57 57 57
5'
29&&203
+:+:
6$7
&203
;
8%(<
:+ %.
7(036(1625
28778%(
2875220
7(036(1625
(;+$867
7(036(1625
$3
...
<(*1
3(
/
/
%8
%1
%.
/
5,1*
0$*1(7,&
/ /
/
LURQVKHOOPRWRU
RQO\DSSOLHVWRWKH
127(0RWRUJURXQG
+($7%
(+
5'
%27720
+($7(5
%$1'
5'
$3
7(036(1625
(;+$867
7(036(1625
2875220
28778%(
7(036(1625
%.:+
%8 <(
;
&203
6$7
:+ :+
29&B&203
5'
575757
3(
3(
5'%8 <(
8%8 9<( :5'
<(*1
7B6(1625
29(5/2$'3527(&725
0$*1(7,&
5,1*
$&B/
1
&20B,11(5
3(
<(*1
3(
1//
<(*1
%8
3(
1
/
1
%1
%.
%8
;7
,1'22581,7
/
5,1*
%.
%1
%8
%1
%8
<(*1
%/2&.
7(50,1$/
3(
0$*1(7,&
3(
0
:$<
<9
9$/9(
97
97
2)$1:$<
)$102725
<(*1
3(
/
35,17('&,5&8,7%2$5'
85
96
:&
/
&203
32:(5
3OHDVHGRQWWRXFKDQ\WHUPLQDO
ZKHQWKHYROWDJHRIWHUPLQDO
3'&DQG1'&DW$3LV
KLJKHUWKDQ9WRSUHYHQWWKH
ULVNRIHOHFWULFVKRFN
:$51,1*
%1%.
/
0$*1(7,&
5,1*
/
/ /
LURQVKHOOPRWRU
RQO\DSSOLHVWRWKH
1RWH0RWRUJURXQG
...
9$/9(
(;3$16,21
(/(&7521,&
)$
(.9
600007000516
GWH18YD-K6DNA1A/O(CB437W01300)

Related product manuals