EasyManua.ls Logo

Gree NCHS1B(U) - Page 149

Gree NCHS1B(U)
153 pages
Print Icon
To Next Page IconTo Next Page
To Next Page IconTo Next Page
To Previous Page IconTo Previous Page
To Previous Page IconTo Previous Page
Loading...
147
GMV5 HR HEAT RECOVERY
VRF Units Technical Sales Guide
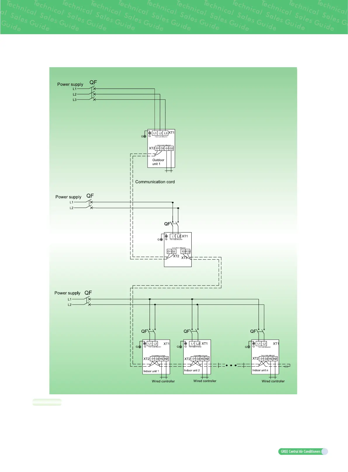
1) External connection diagram of a single unit
NOTES:
The maximum number n of connected indoor units depends on the outdoor unit capacity. For details,
see the content of the introduction to unit combination
.

Other manuals for Gree NCHS1B(U)

Related product manuals