EasyManua.ls Logo

Greenlee 960-PS - Component Illustrations; Pump Section Diagrams

Greenlee 960-PS
16 pages
Print Icon
To Next Page IconTo Next Page
To Next Page IconTo Next Page
To Previous Page IconTo Previous Page
To Previous Page IconTo Previous Page
Loading...
Greenlee / A Textron Company 11 4455 Boeing Dr. Rockford, IL 61109-2988 USA 815-397-7070
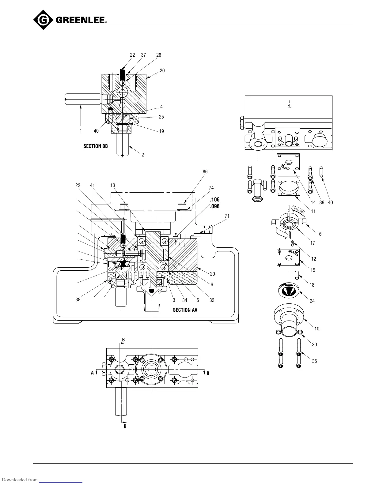
960 PS Series Hydraulic Power Pumps
Illustration
;;
;
;
;;;
;
;;
;;
;;;
;;;;
;;;;
;;
;;
;;
;;
;;
22 37 26
20
4
25
19
401
;;;
;;;
;;
;
;;;
;;;;
;;;
;;
;;;
;;
;
;
;
;
;
;
;
;;
;;
;;
;;
;
;
;
;;
;;
;
;;
;;
;;
;;
;
;;
;;
;;
;;
;;
;;
;
;
;
;;
;;
;;
;;
;;
;;
B
A
B
B
2
SECTION BB
38 28
4
23
36
29
26
7
33
9
8
22 41 13
334 5 32
6
35
30
10
24
18
15
12
17
16
11
14 39 40
20
R
O
T
A
T
I
O
N
SECTION AA
.106
.096
86
74
71

Related product manuals