EasyManua.ls Logo

Greenlee 960-PS - Pump Assembly and Pendant Illustrations

Greenlee 960-PS
16 pages
Print Icon
To Next Page IconTo Next Page
To Next Page IconTo Next Page
To Previous Page IconTo Previous Page
To Previous Page IconTo Previous Page
Loading...
Greenlee / A Textron Company 12 4455 Boeing Dr. Rockford, IL 61109-2988 USA 815-397-7070
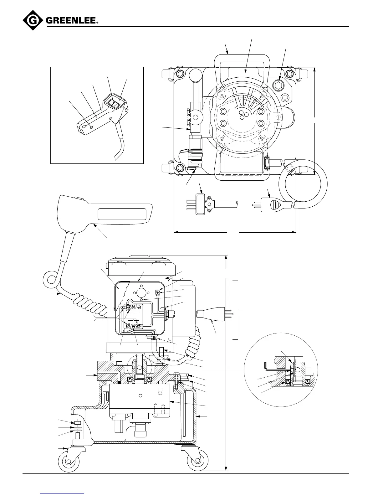
960 PS Series Hydraulic Power Pumps
Illustration
62
12.00
10.50
89
78
E
68
SERIAL NO. LOCATION
73
85
C or D
22.59
960 SERIES
76
74
66
77
75
A
67
56
54
64
53
62
61
69
81
83
82
84
94
52
59
60
63 57, 58, 65
55
56
BLACK
BLACK
WHITE
2
3
WHITE
GREEN
1
4
72
70
80
92
1/8 ALLEN
WRENCH
Item #92 is threaded onto Item #13.
To remove, place a long bolt through
the hole in the side of the pump block.
Rotate the eccentric until the screw
acts as a stop. Use a wrench to loosen
#92 from #13.
97
96
95
98
99
52 PENDANT

Related product manuals