EasyManua.ls Logo

Greystone CMD5B1 Series - Wiring Instructions; 2-Wire Loop-Powered Operation; 3-Wire Relay Model Operation; Relay Output Functionality

Greystone CMD5B1 Series
5 pages
Print Icon
To Next Page IconTo Next Page
To Next Page IconTo Next Page
To Previous Page IconTo Previous Page
To Previous Page IconTo Previous Page
Loading...
Carbon Monoxide Transmitter Installation Manual
IN-CMD5B1-01-01 May 2, 2017 Page 2
Wiring
Use 22 AWG shielded wire for all connections and do not locate the device wires in the same conduit with wiring used to
supply inductive loads such as motors. Disconnect the power supply before making any connections to prevent electrical
shock or equipment damage. Make all connections in accordance with national and local codes.
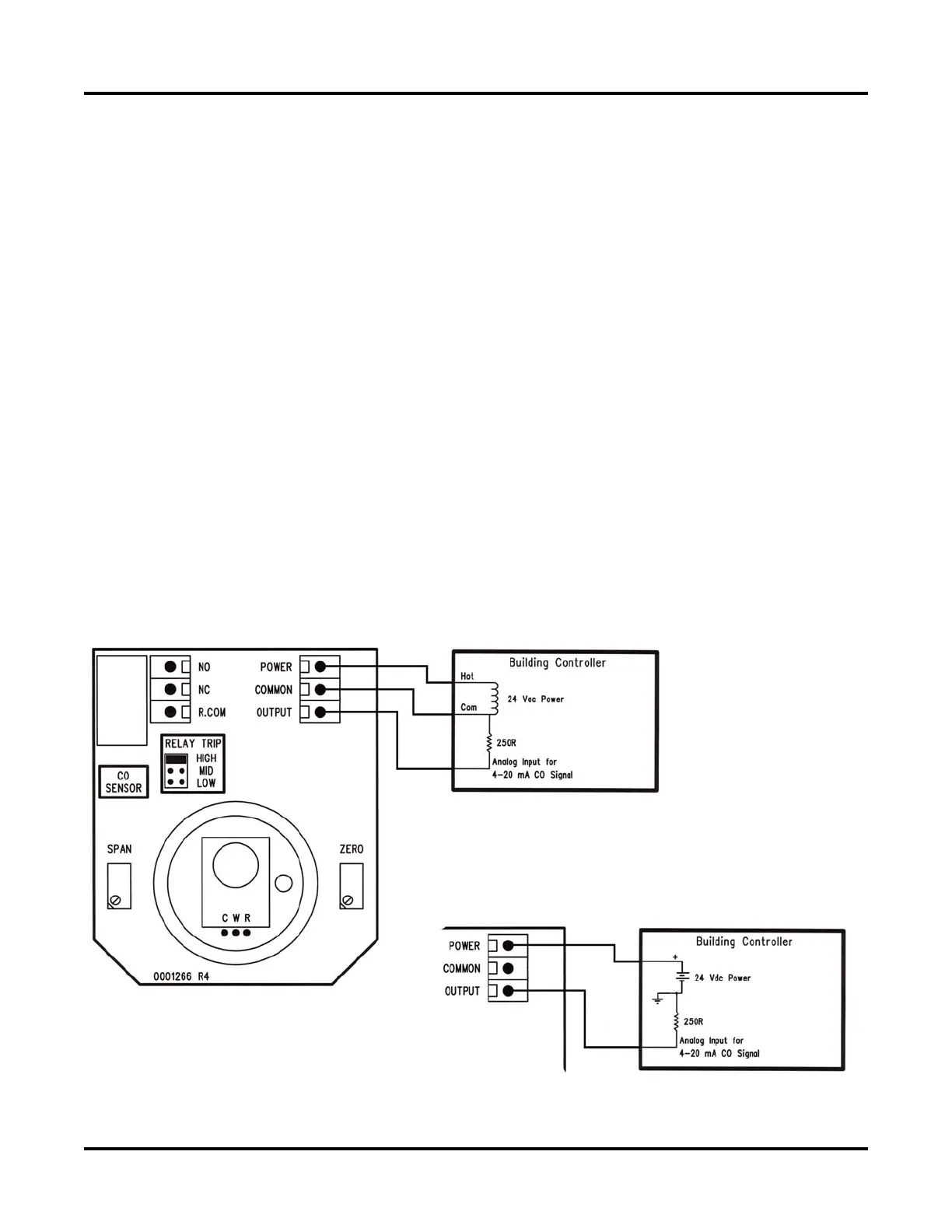
Depending on the configuration (with or without an alarm relay), the product is either a 3-wire sourcing device or a 2-wire
loop-powered device. Follow the example wiring diagrams to determine the correct wiring for the product. All models have
the same terminal functions.
For 4-20 mA loop powered operation, only POWER and OUTPUT are required if a DC power supply is used. The
COMMON terminal is only used for AC power. Connect the positive dc voltage or the hot side of the ac voltage to the
terminal marked POWER. The AC power supply common is connected to the terminal marked COMMON. The device is
reverse voltage protected and will not operate if connected backwards.
For 3-wire operation of the relay model, connect either an AC or DC power supply to POWER and COMMON and the 4-20
mA signal is available on the OUTPUT terminal with respect to COMMON. The current output operates in the Active mode
and does not require a loop power supply. This means the signal current is generated by the transmitter and must not be
connected to a powered input or device damage will result. This is the typical operating mode of a “three-wire device”.
Check the controller Analog Input to determine the proper connection before applying power.
Ensure the controller Analog Input (AI) matches the transmitter output signal type before power is applied. The current signal
has a maximum load that it will drive. Follow the ratings in the Specification section or inaccurate readings may result.
If equipped, the relay output is available on the NO, NC and R.COM terminals. The relay R.COM terminal is NOT
connected to the signal or power supply COMMON terminal. The relay output is completely isolated and has both Normally
Open (NO) and Normally Closed (NC) signals. These signals can be used to directly control alarms, ventilation fans or may
be connected to digital inputs of the B.A.S. for status monitoring.