EasyManua.ls Logo

Grindmaster CS1-110 - Page 28

Grindmaster CS1-110
32 pages
Print Icon
To Next Page IconTo Next Page
To Next Page IconTo Next Page
To Previous Page IconTo Previous Page
To Previous Page IconTo Previous Page
Loading...
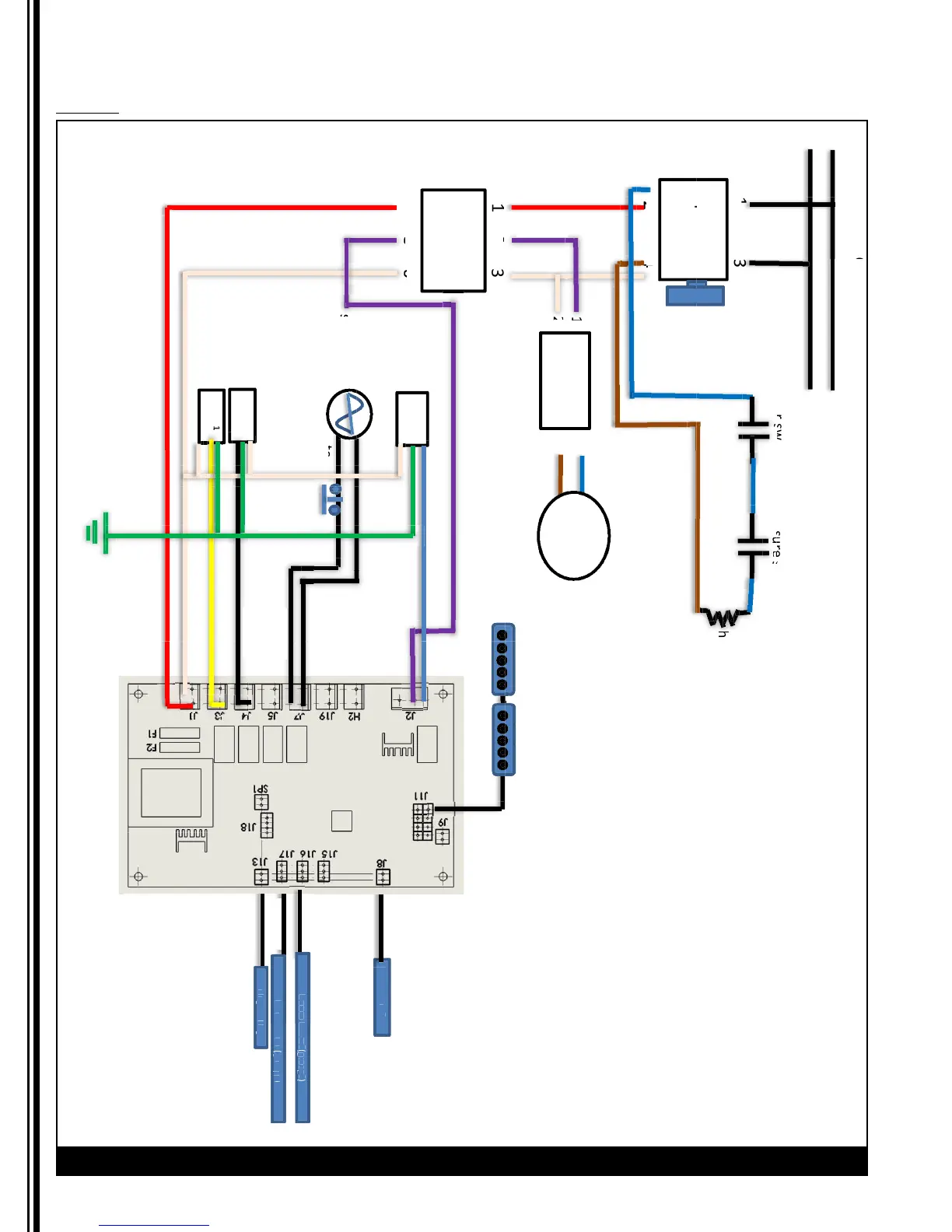
28 Grindmaster
®
CS Espresso Machine
Wiring Diagram (continued)
CS2-220
erwo
1
10
%
Ʋ220
N
L
p
it
w
w
s
s
r
s
itc
w
s
ssr
3
H50/60Ɍ 1V
%
s
re
u
h
h
h
h
itchw
s
re
u
srep
e
h
c
h
z
2puorg 1puorg
darobkey
reat
e
dia
g
wiring
CV)CS2(220A
)
)
2
p
uo
p
r
g
g
(
2er
g
ni
)
)
1
p
uo
p
r
g
g
(
1er
am
g
r
m
et
(
t
g
m
et
(
hcitsw
2
p
4
3
2
roectnn
1
4
co
pmpu&
rotoM
1
5
4
2
cten
1
con
t
3
evalv
erat
t
lignas
ssr
6
r
3
o
W
tc
tc
eborperatW
evalv
2puor
evalv
1
puorG
G
m
erwo
t
ets
g
niso
erwoFl
D
g
Fl
Black
Black
Black
Black
Black
Black
Black
Black
Black
Black
Yellow
Blue
Brown
White
Red
Violet
Blue
Green
Red
Violet
White
Brown
Blue

Related product manuals