EasyManua.ls Logo

Grindmaster PrecisionBrew APB-330V2 - Precision Brew 330 Series Schematics

Grindmaster PrecisionBrew APB-330V2
44 pages
Print Icon
To Next Page IconTo Next Page
To Next Page IconTo Next Page
To Previous Page IconTo Previous Page
To Previous Page IconTo Previous Page
Loading...
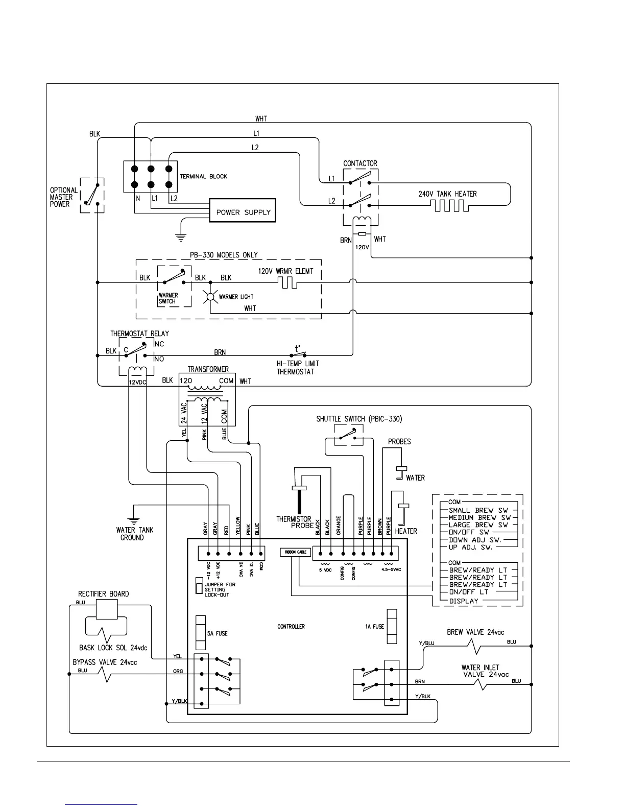
Page 34 Shuttle Brewers & Airpot/Shuttle Brewers
Wiring Diagram - Precision Brew 330 Series
Models APB-330V2, APBVSA-330V2, and APBIC-330V2

Related product manuals