EasyManua.ls Logo

Grindmaster PrecisionBrew APB-330V2 - Wiring Diagrams; Precision Brew 430 Series Schematics

Grindmaster PrecisionBrew APB-330V2
44 pages
Print Icon
To Next Page IconTo Next Page
To Next Page IconTo Next Page
To Previous Page IconTo Previous Page
To Previous Page IconTo Previous Page
Loading...
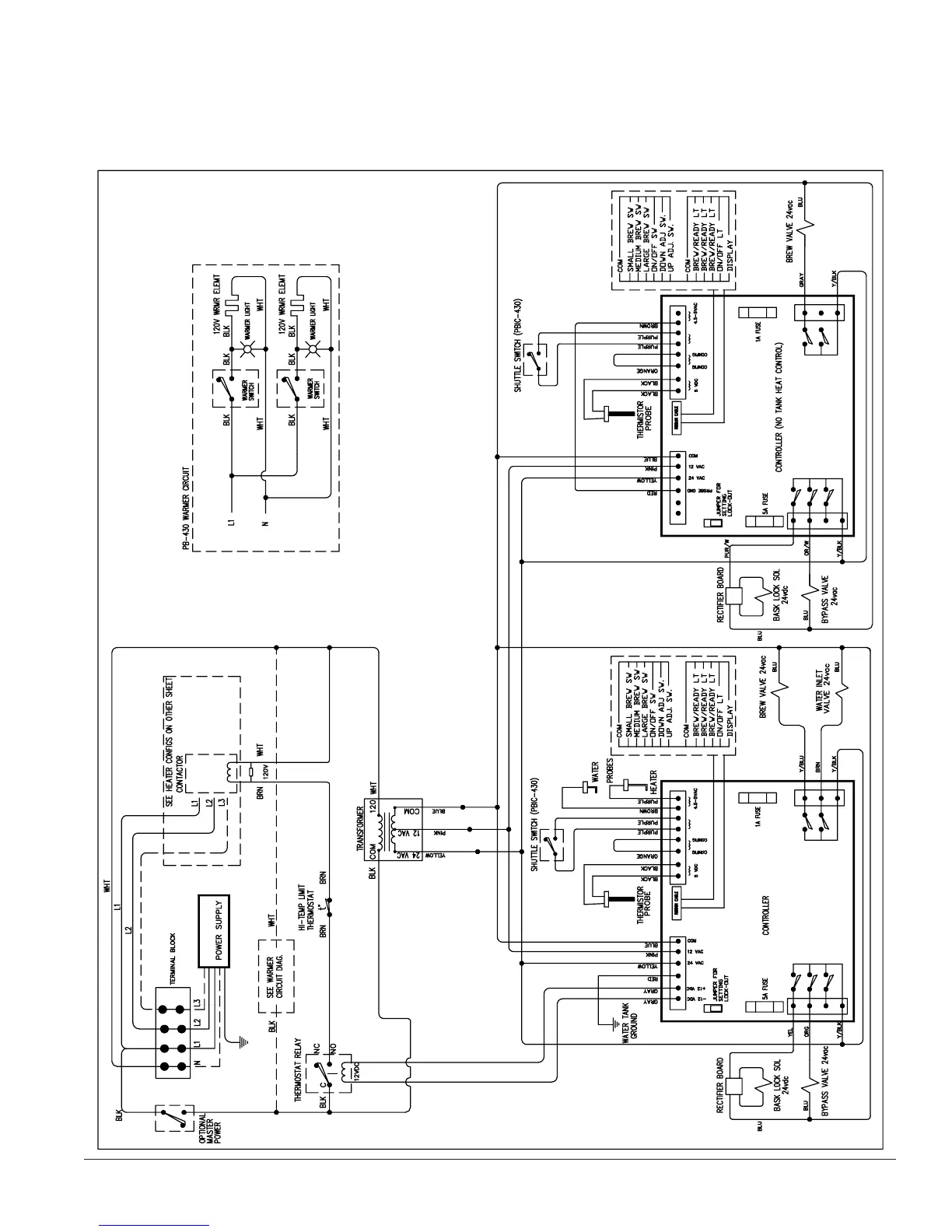
Shuttle Brewers & Airpot/Shuttle Brewers Page 33
Wiring Diagram - Precision Brew 430 Series
Models APB-430V2, APBVSA-430V2, and APBIC-430V2

Related product manuals