EasyManua.ls Logo

GSi 1220 - Upper Control Box

GSi 1220
92 pages
Print Icon
To Next Page IconTo Next Page
To Next Page IconTo Next Page
To Previous Page IconTo Previous Page
To Previous Page IconTo Previous Page
Loading...
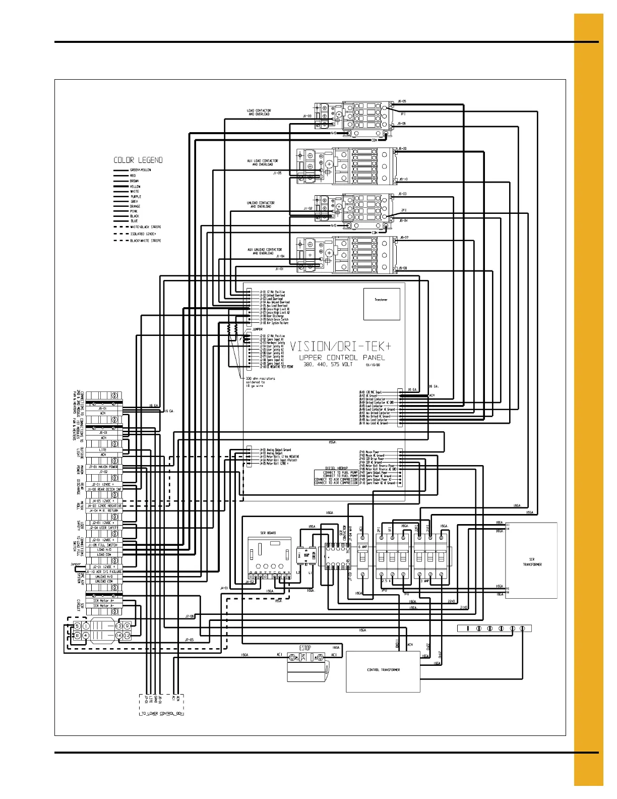
11. Vision Schematics and Wiring Diagrams
PNEG-1717 CE Approved GSI/FFI Portable Dryer Manual 85
Upper Control Box

Table of Contents

Related product manuals