EasyManua.ls Logo

Guardian 004582-2 - Adjusting Valve Clearance

Guardian 004582-2
42 pages
Print Icon
To Next Page IconTo Next Page
To Next Page IconTo Next Page
To Previous Page IconTo Previous Page
To Previous Page IconTo Previous Page
Loading...
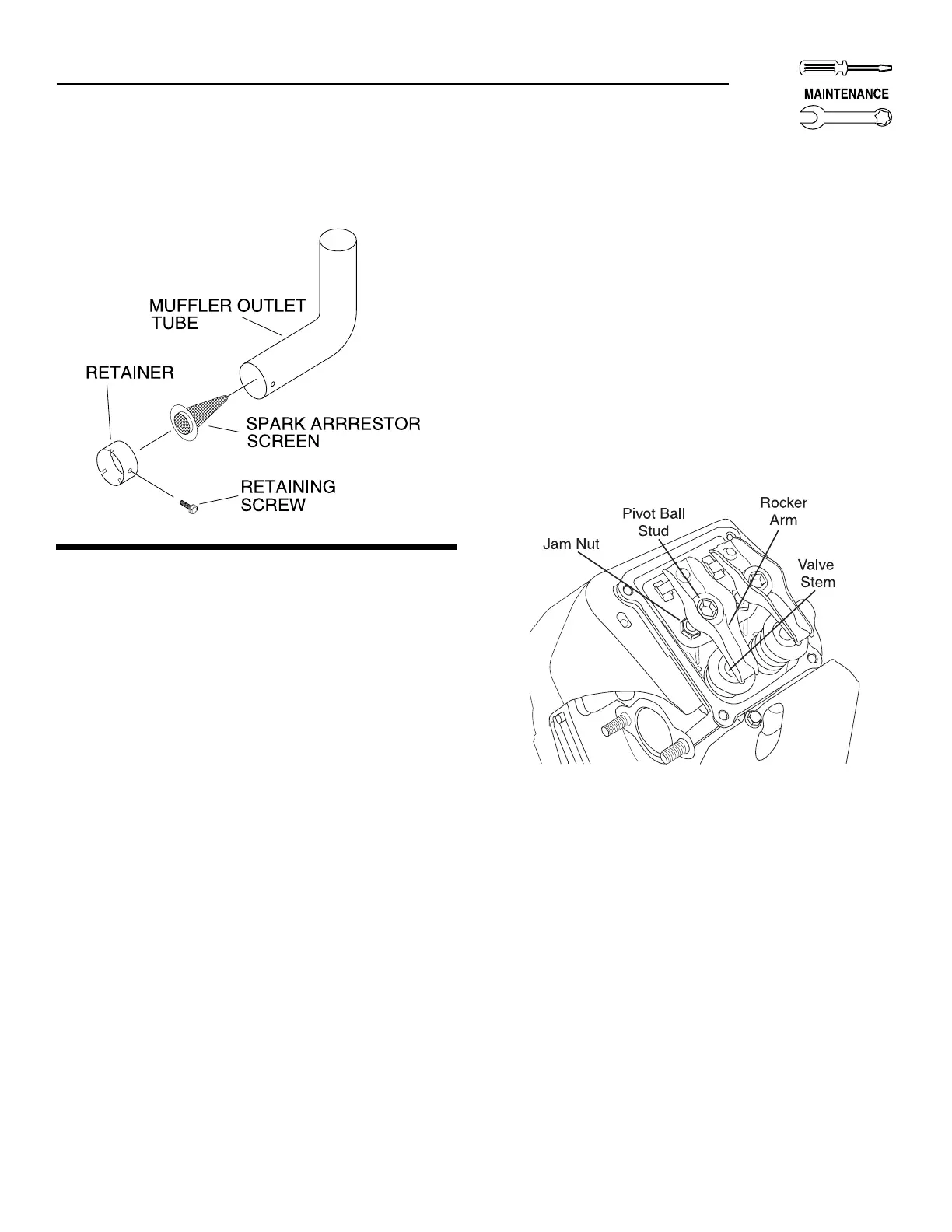
Figure 21 - Spark Arrestor
3.6 ADJUSTING VALVE CLEARANCE
After the first 50 hours of operation, you should check the valve
clearance in the engine and adjust if necessary.
Important: If you feel uncomfortable about doing this procedure
or you don't have the proper tools, please take your generator in
to the nearest service center to have the valve clearance adjusted.
This is a very important step to insure longest life for your engine.
To check valve clearance:
Make sure the engine is at room temperature (60° - 80° F).
Make sure that the spark plug wire is removed from the spark
plug and out of the way.
Remove the four screws attaching the valve cover.
Make sure the piston is at Top Dead Center (TDC) of its
compression stroke (both valves closed). To get the piston at
TDC, remove the intake screen at the front of the engine to gain
access to the flywheel nut. Use a large socket and socket
wrench to rotate the nut and hence the engine in a clockwise
direction while watching the piston through the spark plug
hole. The piston should move up and down. The piston is at
TDC when it is up as high as it can go.
Insert a 0.002 - 0.004 inch (0.05 - 0.1mm) feeler gauge
between the rocker arm and valve stem. Correct clearance is
when a slight drag is felt when sliding the gauge back and
forth. If the clearance is either excessively loose or tight the
rocker arms will need adjusting.
To adjust valve clearance:
Loosen the rocker jam nut. Use an 10mm allen wrench to turn
the pivot ball stud while checking clearance between the rocker
arm and the valve stem with a feeler gauge. Correct clearance
is 0.002-0.004 inch (0.05-0.1 mm).
NOTE: You must hold the rocker arm jam nut in place as you
turn the pivot ball stud.
When valve clearance is correct, hold the pivot ball stud in place
with the allen wrench and tighten the rocker arm jam nut. Tighten
the jam nut to 174 in/lbs. torque. After tightening the jam nut,
recheck valve clearance to make sure it did not change.
Figure 22 - Valve Clearance Adjustment
Install new valve cover gasket.
Re-attach the valve cover.
NOTE: Start all four screws before tightening or you will not be
able to get all the screws in place. Make sure the valve cover
gasket is in place.
Re-attach the spark plug wire to the spark plug.
Repeat the process for the other cylinder.
Section 3 — Maintenance
Commercial-Industrial-Residential Portable Generator System
17

Table of Contents

Related product manuals