EasyManua.ls Logo

Guardian 005348-0 - Section 5 - Electrical Data

Guardian 005348-0
32 pages
Print Icon
To Next Page IconTo Next Page
To Next Page IconTo Next Page
To Previous Page IconTo Previous Page
To Previous Page IconTo Previous Page
Loading...
16
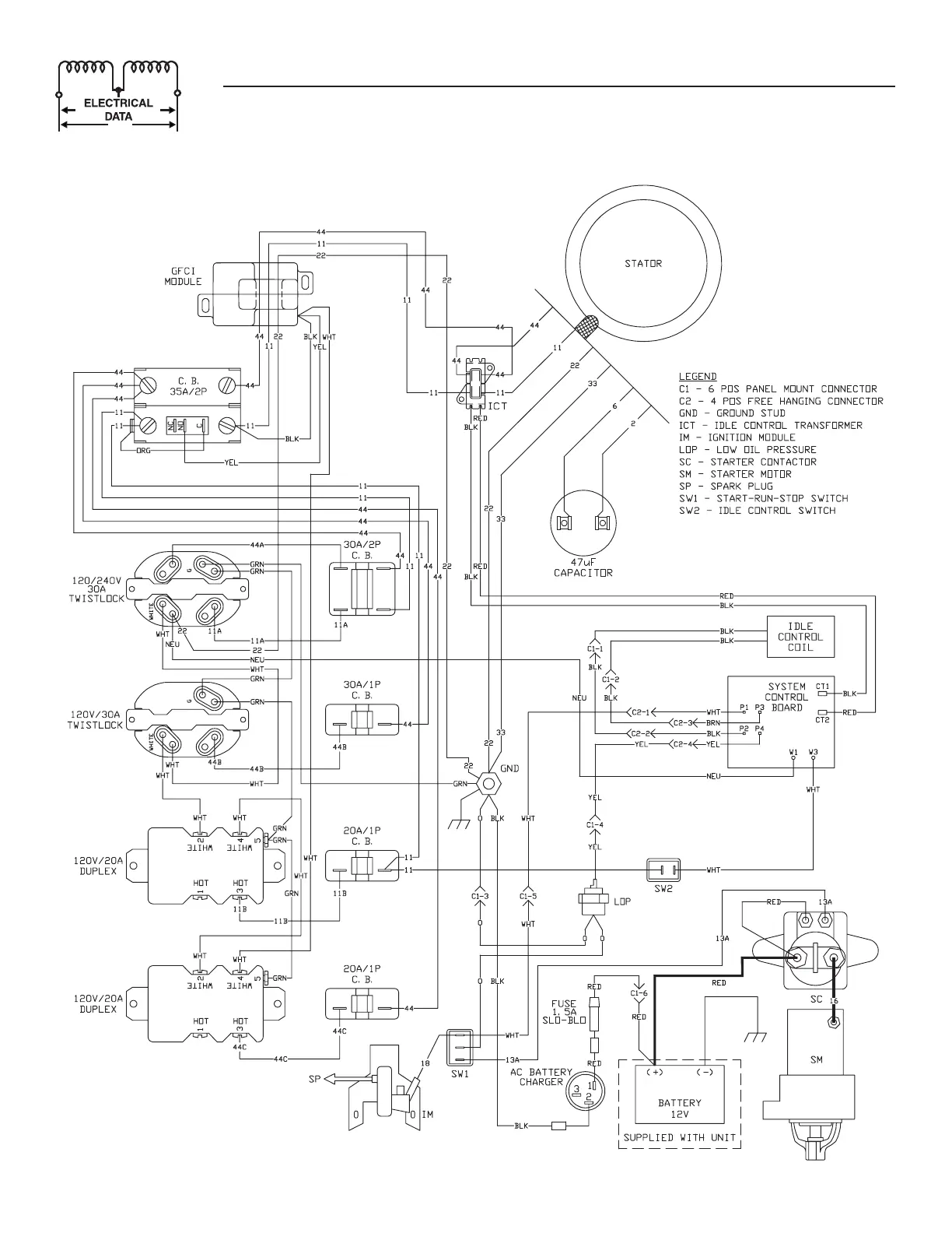
Section 5 — Electrical Data
Wiring Diagram – Drawing No. 0G4796-A

Related product manuals