EasyManua.ls Logo

Haier AW052MUCHA - Instrukcja Instalacji

Haier AW052MUCHA
543 pages
Print Icon
To Next Page IconTo Next Page
To Next Page IconTo Next Page
To Previous Page IconTo Previous Page
To Previous Page IconTo Previous Page
Loading...
18
Instrukcja instalacji
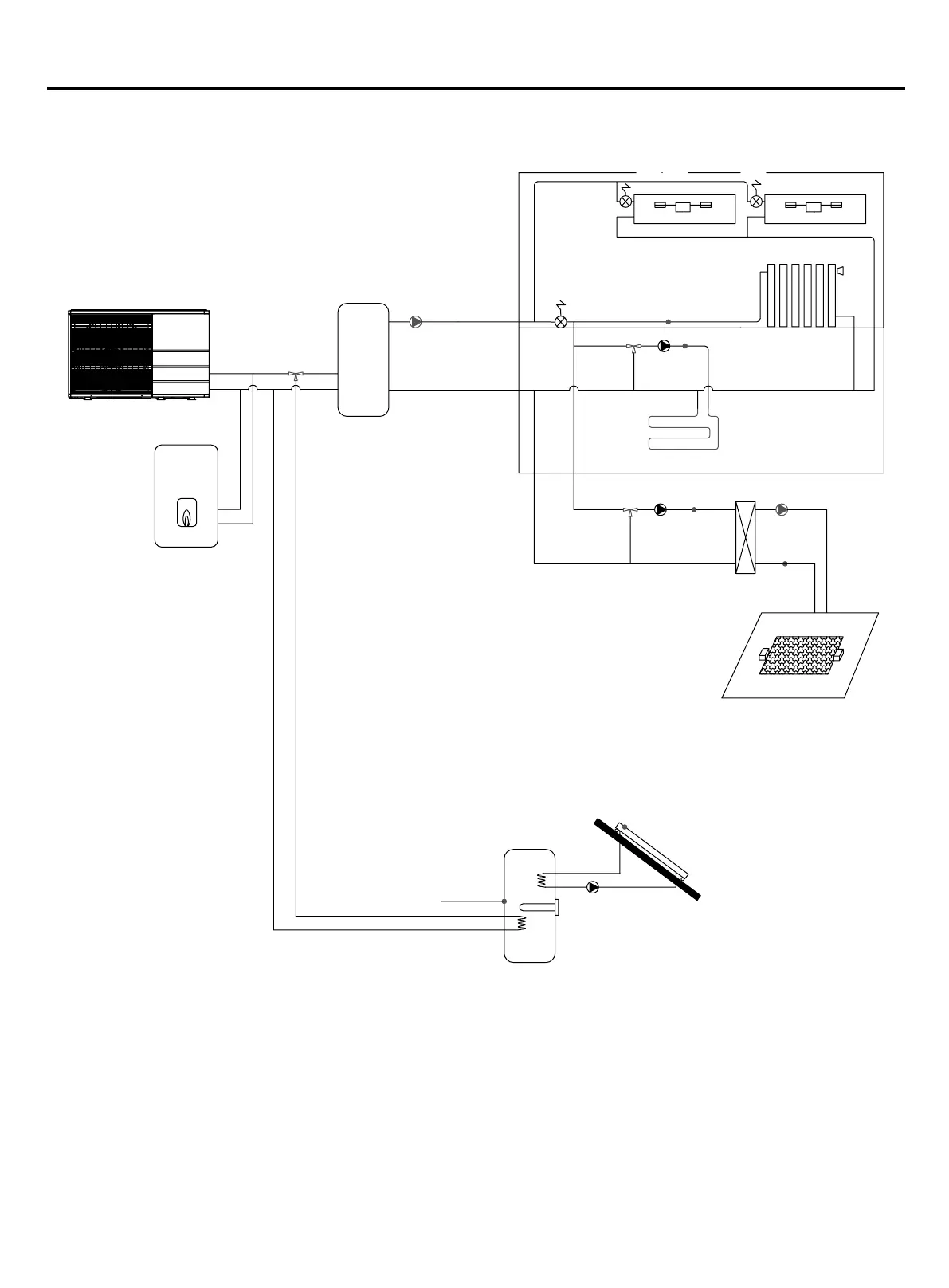
(5) Wymagania i zalecenia dotyczące układu hydraulicznego
Ogrzewanie podłogowe
Zawór
trójdrożny 1
Zawór grzewczy
Termistor 2
Bojler
Pompa 1
Ogrzewanie
EXT
Zbiornik
buforowy
Strefa 1
Strefa 2
Termistor 1
Zawór mieszający 1
Pompa 2
Grzejnik
Termistor 2
Zawór mieszający 2
Pompa 2 Pompa 2
Termistor3
Basen
Basen
CWU
CWU
Termistor
Pompa solarna
Grzałka wspomagająca
Ogrzewanie podłogowe+Grzejnik
Monoblok
Zbiornik
Termistor solarny

Table of Contents

Related product manuals