EasyManua.ls Logo

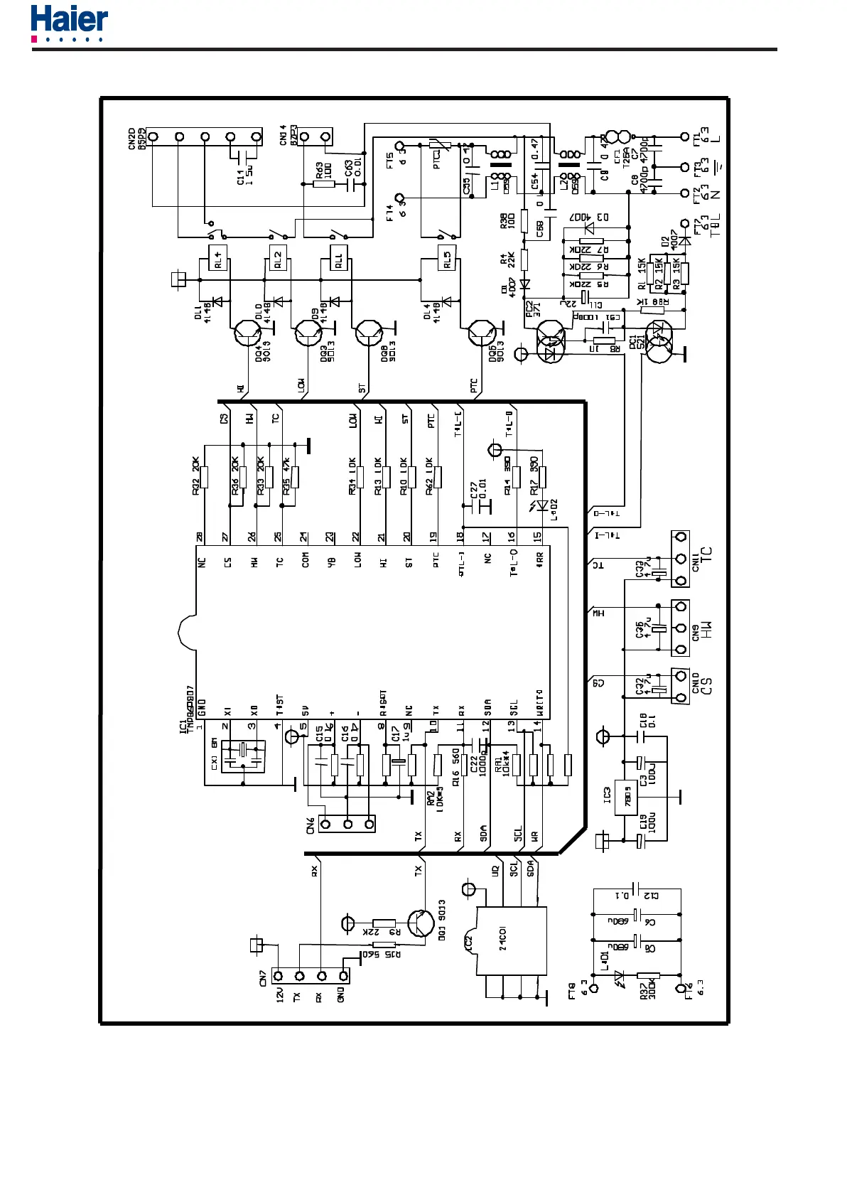
Haier HSU-09HS03/R2DB - Outdoor Unit Electronic Circuit

Haier HSU-09HS03/R2DB
65 pages
To Next Page IconTo Next Page
To Next Page IconTo Next Page
To Previous Page IconTo Previous Page
To Previous Page IconTo Previous Page
Loading...
Model:
HSU-12HS03/R2(DB)
HSU-09HS03/R2(DB)Domestic Air Conditioner
OUTDOOR UNIT:
43

Related product manuals