EasyManua.ls Logo

Hallmark Variable Speed 2 Stage - Page 17

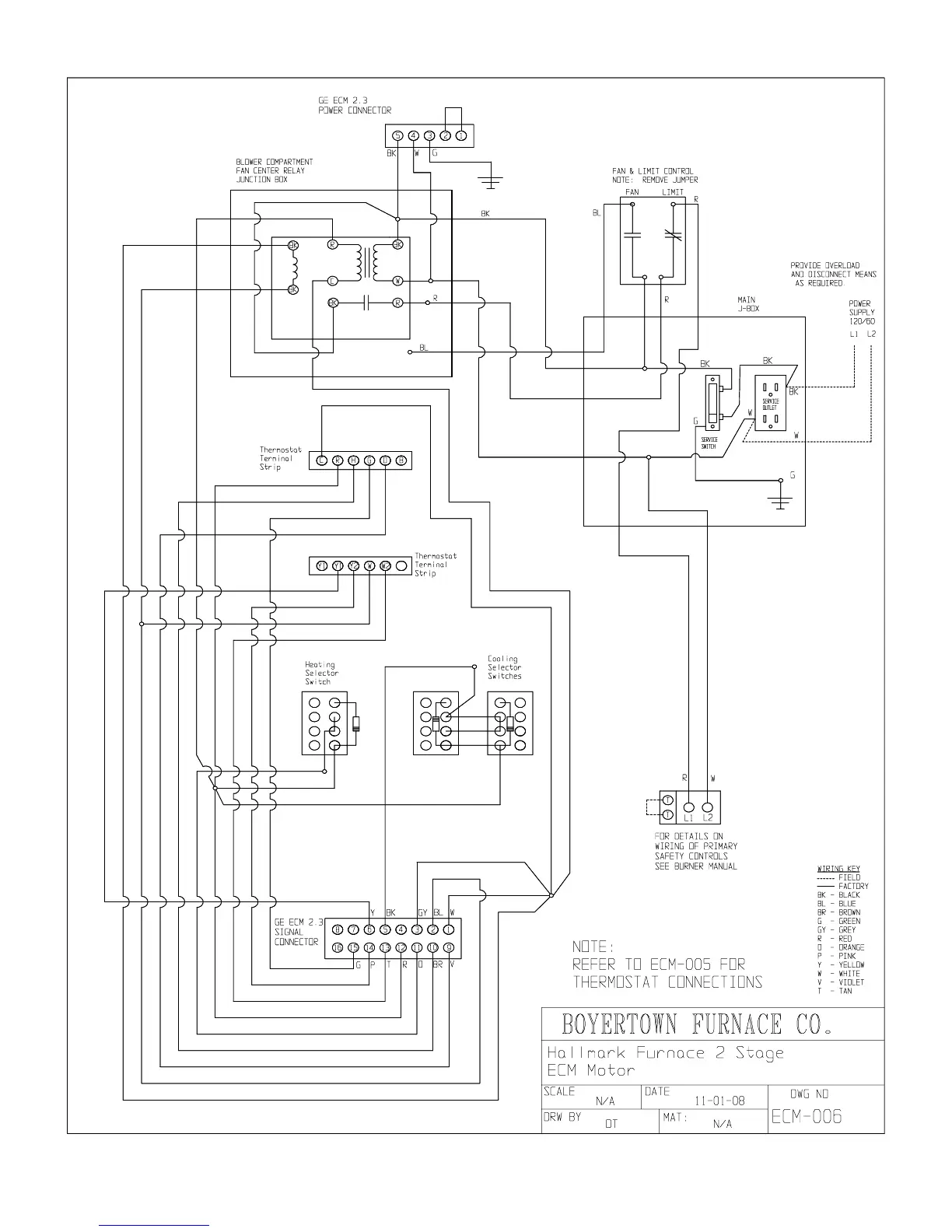
Hallmark Variable Speed 2 Stage
32 pages
Print Icon
To Next Page IconTo Next Page
To Next Page IconTo Next Page
To Previous Page IconTo Previous Page
To Previous Page IconTo Previous Page
Loading...
17
17