EasyManua.ls Logo

Hammerhead GTS150 - Carburetor; Periodical Check and Services; Wiring Diagram

Hammerhead GTS150
33 pages
Print Icon
To Next Page IconTo Next Page
To Next Page IconTo Next Page
To Previous Page IconTo Previous Page
To Previous Page IconTo Previous Page
Loading...
The maintenance intervals in the following table are based upon average driving conditions.
Driving in unusually dusty areas, require more frequent servicing.
Time of service
Initial service
(first week)
Monthly
Quarterly
Yearly
Items
Tire pressure/wear
Brake performance
Tightness of screws
Air cleaner
Carburetor
Spark plug
Drive chain
Brake oil
Replace gearbox oil
Chassis
Fuel switch/fuel tank
Battery
Valve clearance of engine
A: adjust C: clean I: inspect, clean or replace if necessary. L: lubricate R: replace
I
I
I
I
I
I
I
I
II
I
I
I
C, I
I
R
L
A
A
C
C
C
C, A, L
C, A
23
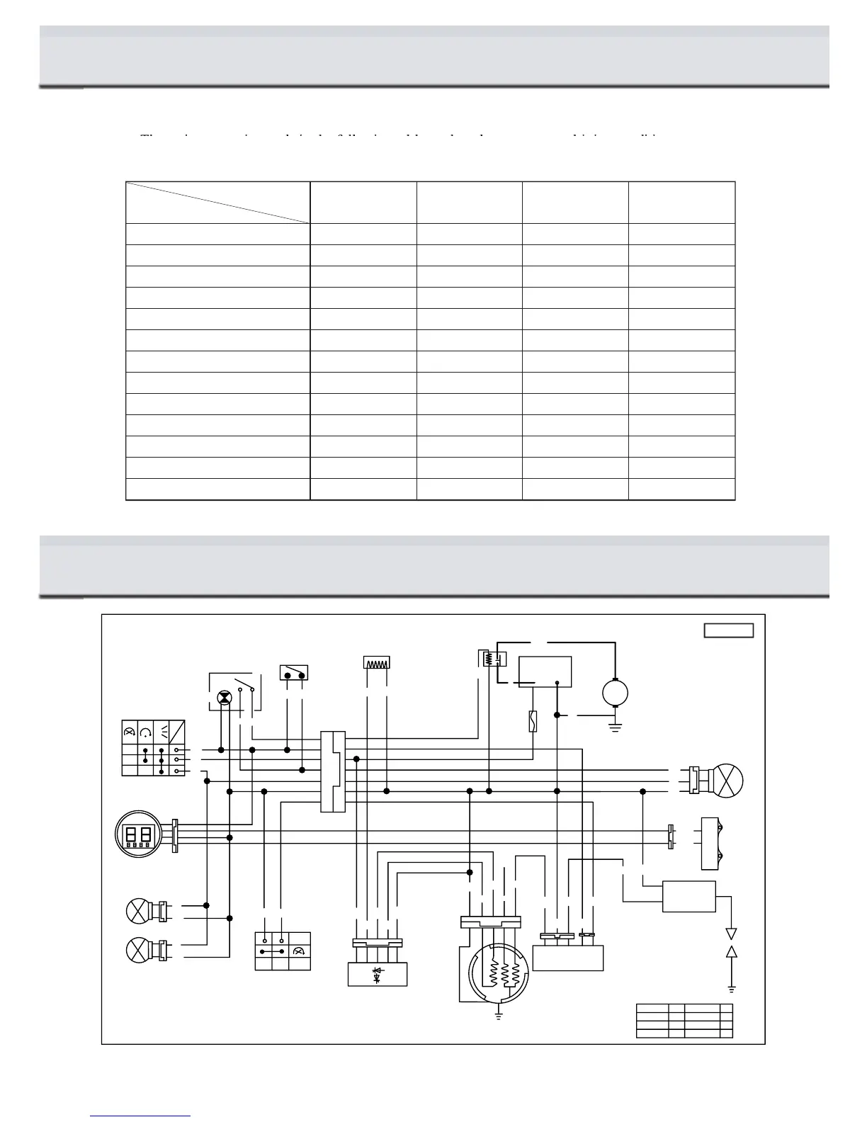
PERIODICAL CHECK AND SERVICES
WIRING DIAGRAM
GTS150
L
BR
W
PU
Y
G
B
R
BLUE
BROWN
WHITE
purple
GREEN
YELLOW
BLACK
RED
Y/R
G/Y
P
Br
START
SWITCH
12V8AH
BRAKE SWITCH
B
R
B/W
G
Br
G
Head Lamp
G
Br
G/Y
B
IGNITION
SWITCH
G/Y
G
G
Chock Assembly
R
G
Rectifier
Rear
Lamp
G
Br
-
Y/R
R
+
Start
Magneto
G
15A
Fuse
R/W
START PELAY
CDI
B/Y
B/W
G
L/W
P
Magneto
Ignition
Coil
Y
L/W
B/R
Spark plug
B
P
Y
G
B/Y
B/R
B/R
SPEEDO
SPEEDO
SENSOR
Y/B
G/W
STOP SWITCH