EasyManua.ls Logo

HAMOKI DF-28L - Operation Guide; Oil Level and Temperature Control; Frying Procedures; Cleaning and Maintenance

Default Icon
6 pages
Print Icon
To Next Page IconTo Next Page
To Next Page IconTo Next Page
To Previous Page IconTo Previous Page
To Previous Page IconTo Previous Page
Loading...
4
E. Operation
a) Inside the oil bowl there are two lines. The amount of oil can not lower than the low
line and over the high one.
b) 1) Red light is on when power switch turns on. Turn the Temperature controller
clockwise to the degree user needs. At the same time, yellow light is on and red
light is off.
2) When the temperature is on the degree user needs, automatic temperature
controller will cut off electricity. Yellow light is off and red light is on at the same time.
3) When temperature lowers, the automatic temperature controller will get through
electricity. At the same time yellow light is on and red light is off.
c) Do not put water on the cover in order to prevent from an accident.
d) Enclosed special basket in order to fry small piece of food. After frying please hang
the basket. Put directly big piece of food into oil bowl to fry.
e) After using it please turn the temperature controller counter-clockwise to the certain
place and unplug the fryer.
f) Please clean dregs in a regular time.
g) Please use good vegetable oil.
F. Cleaning and Maintenance
a) Cut off all power when cleaning and maintaining the equipment in case of accident.
b) Do not use towel with corrosive cleanser to clean the surface of oven. Water
washing is forbidden in case of shot circuit and other electric accidents.
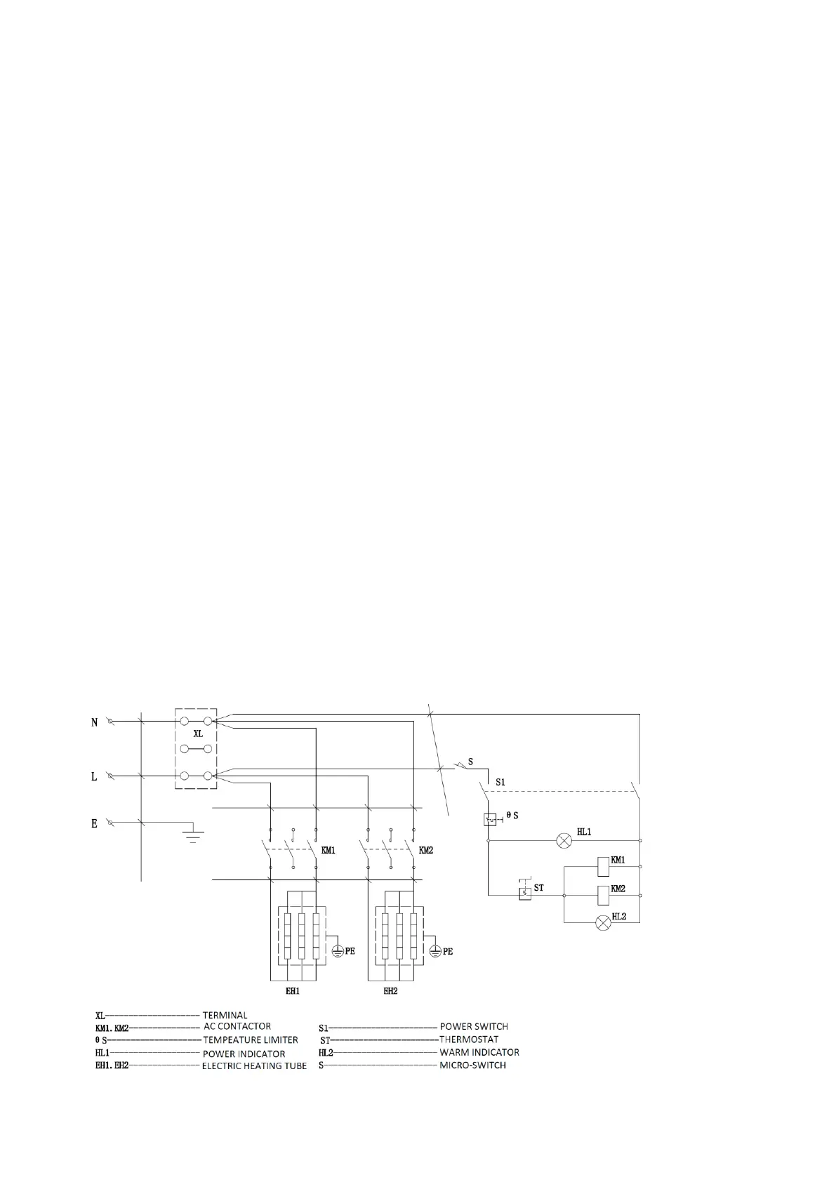
G. Circuit Diagram