EasyManua.ls Logo

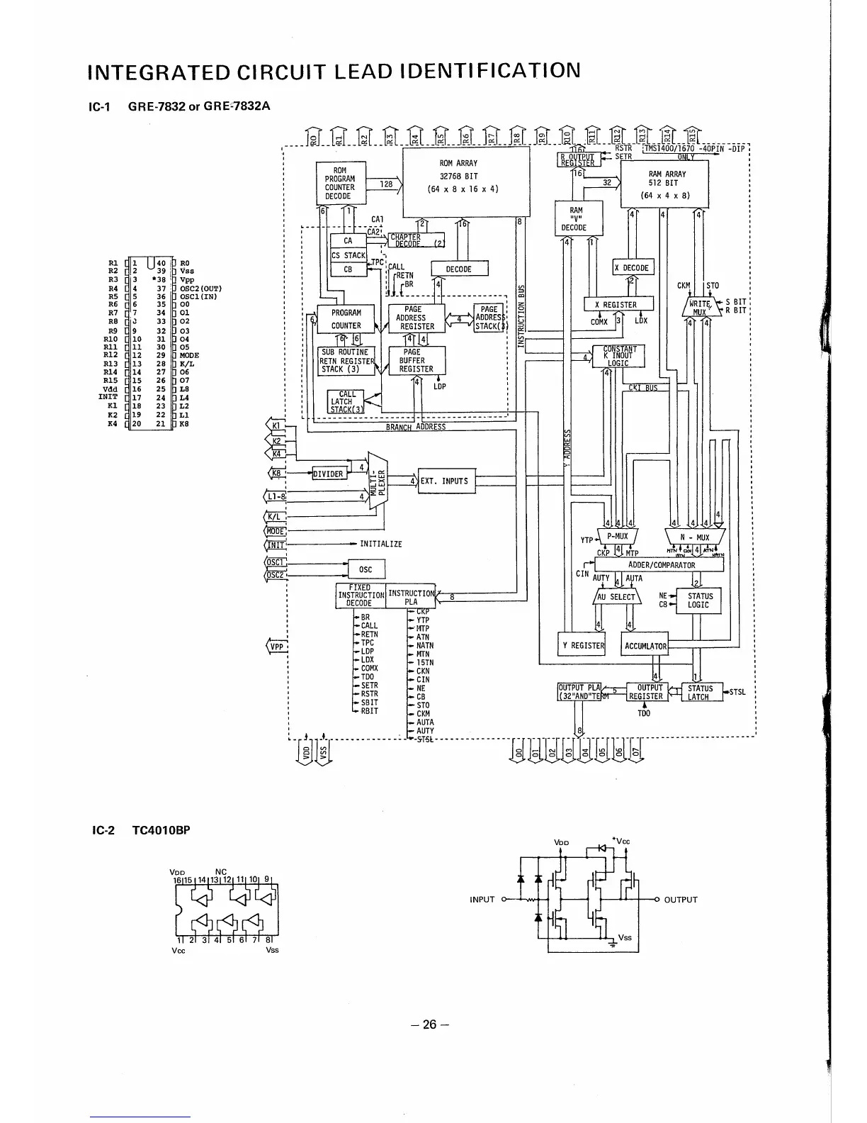
Handic 0050 - Integrated Circuit Lead Identification

Default Icon
45 pages
Print Icon
To Next Page IconTo Next Page
To Next Page IconTo Next Page
To Previous Page IconTo Previous Page
To Previous Page IconTo Previous Page
Loading...