EasyManua.ls Logo

HANGCHA CBD15-WS - Page 18

HANGCHA CBD15-WS
33 pages
Print Icon
To Next Page IconTo Next Page
To Next Page IconTo Next Page
To Previous Page IconTo Previous Page
To Previous Page IconTo Previous Page
Loading...
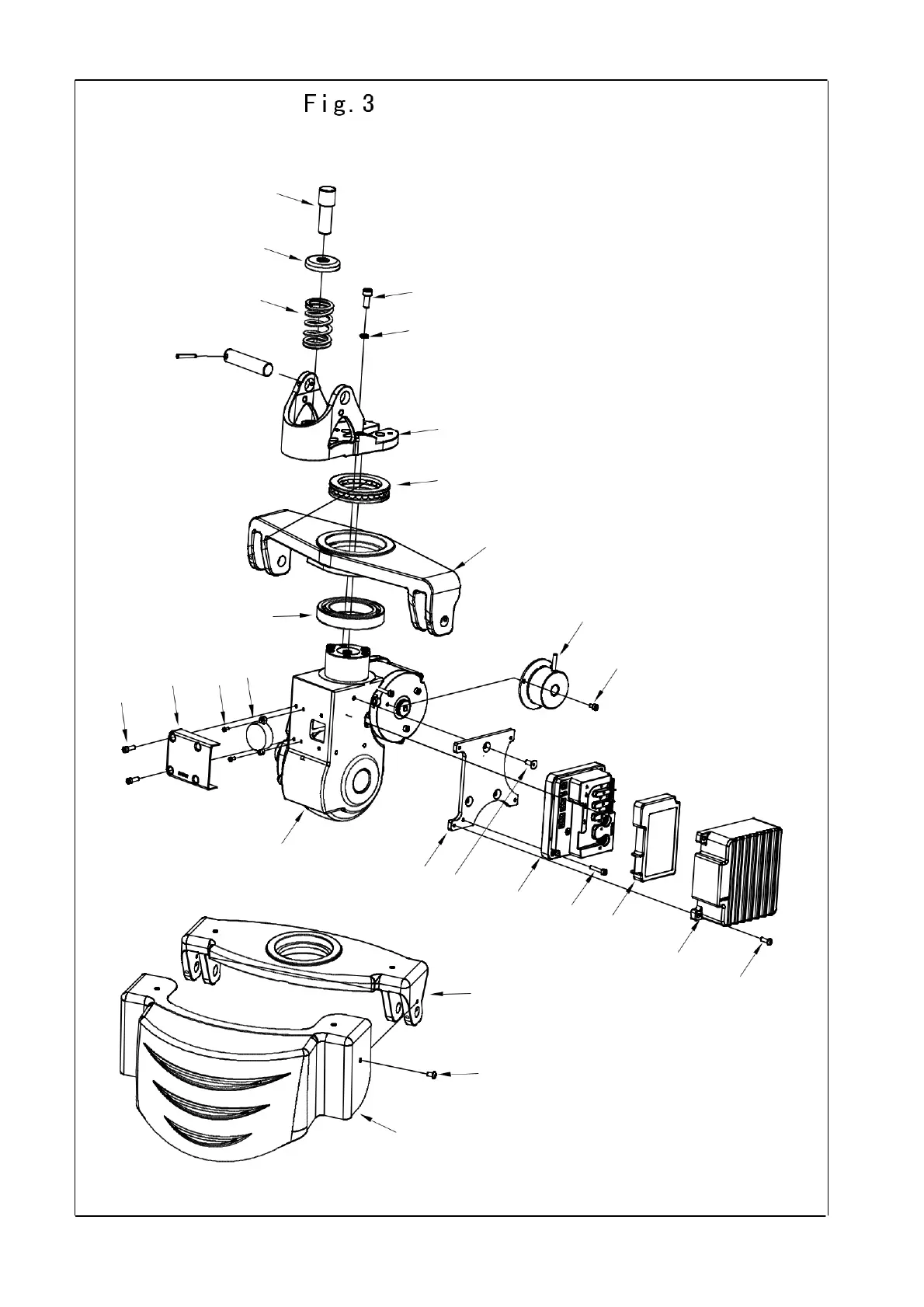
Driving system
1
2
3
5
6
4
9
10
11
8
14
13
12
7
15
23
16
17
18
19
20
24
21
22
26
25
16

Related product manuals