EasyManua.ls Logo

Hanwei BS03 - Dimensions; Installation Methods

Hanwei BS03
20 pages
Print Icon
To Next Page IconTo Next Page
To Next Page IconTo Next Page
To Previous Page IconTo Previous Page
To Previous Page IconTo Previous Page
Loading...
BS03 fixed gas detector operation manual
4
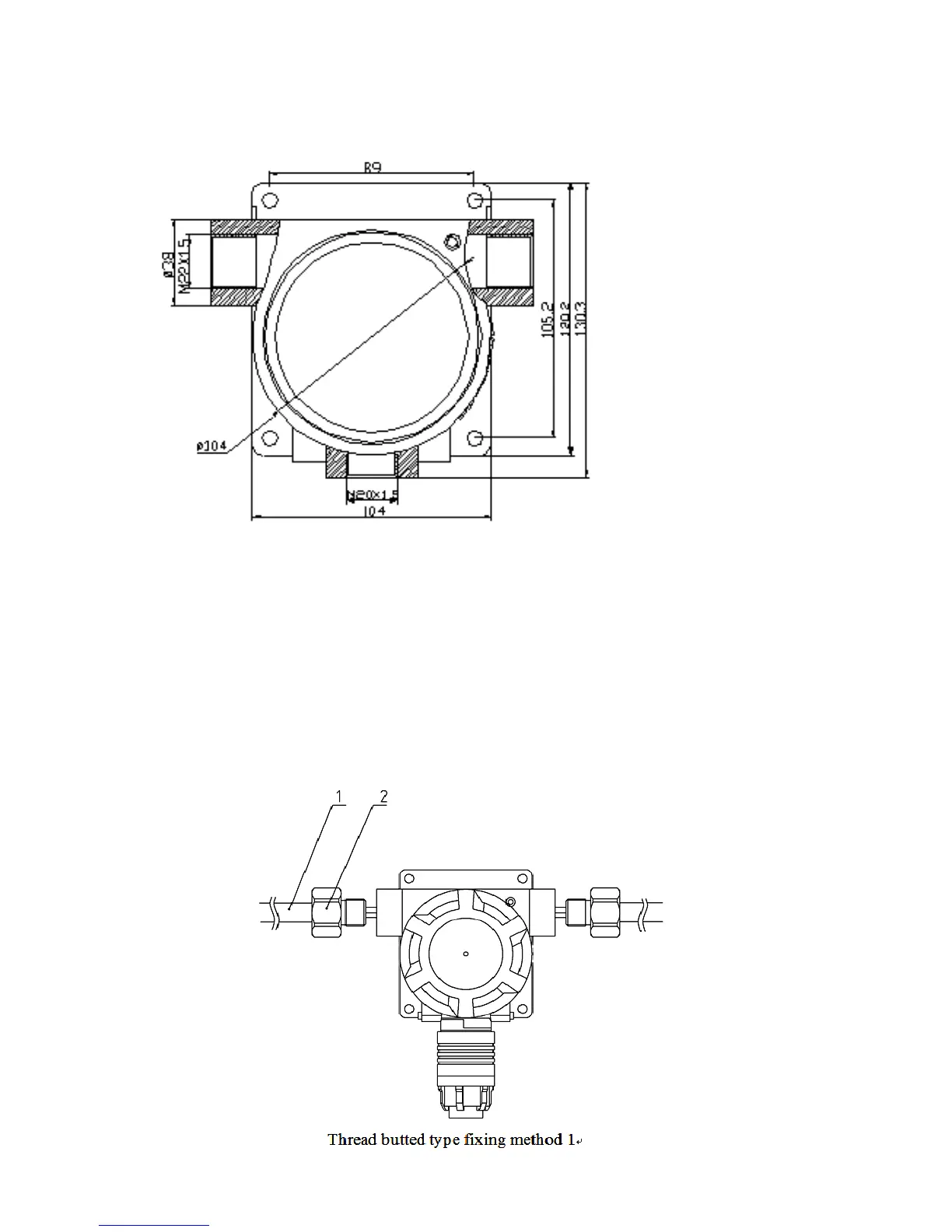
4.2 Dimensions
4.3 Installation methods
Note: Fix the detector with sensor head downwards!
According to the installation place, you can fix the detector onto the wall or to
the gas pipes. Please follow the details as below:
Method 1(thread butted type fixing method): If there are transverse
or vertical siphon with G3/4 Screw thread in installed places, please
connect the two terminals of the detector to the gas pipes. Then connect
and screw down the pipe screw thread nut and fix it tightly.