EasyManua.ls Logo

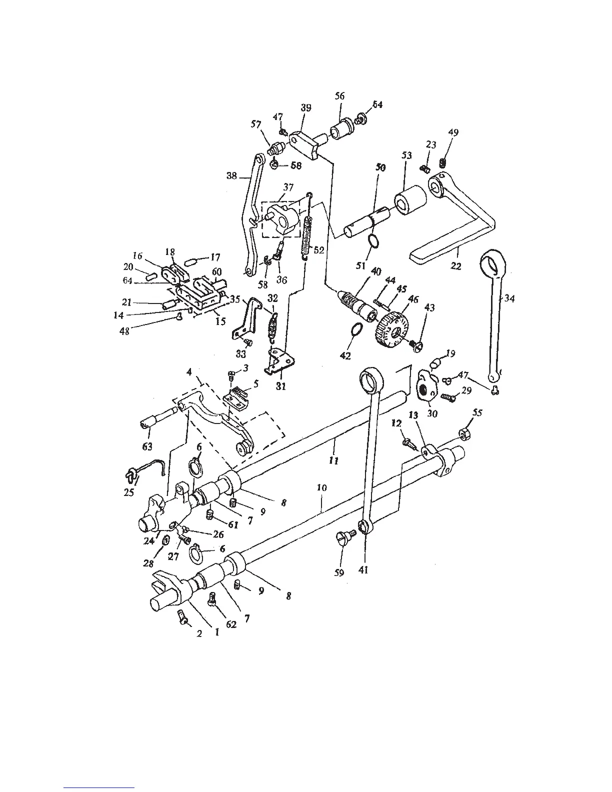
Harbor Freight Tools 3914 - Feed Mechanism Assembly Drawing

Default Icon
29 pages
Print Icon
To Next Page IconTo Next Page
To Next Page IconTo Next Page
To Previous Page IconTo Previous Page
To Previous Page IconTo Previous Page
Loading...
Page 23SKU 03914
FEED MECHANISM ASSEMBLY DRAWING