EasyManua.ls Logo

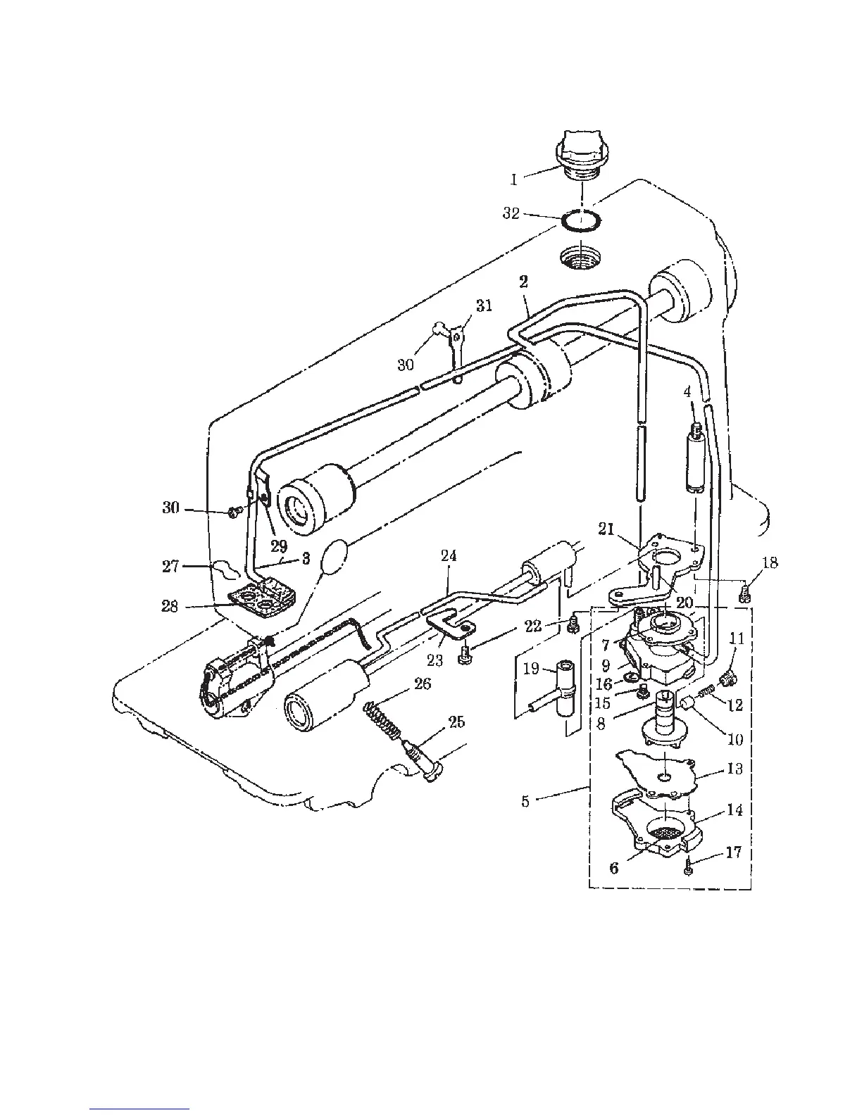
Harbor Freight Tools 3914 - Lubrication Assembly Drawing

Default Icon
29 pages
Print Icon
To Next Page IconTo Next Page
To Next Page IconTo Next Page
To Previous Page IconTo Previous Page
To Previous Page IconTo Previous Page
Loading...
Page 25SKU 03914
LUBRICATION ASSEMBLY DRAWING