EasyManua.ls Logo

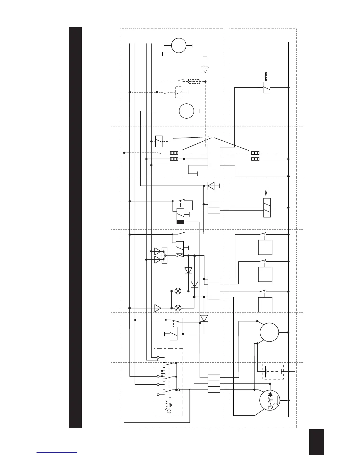
Hatz 2-4M40 - Circuit Diagram 12 V - System with Automat. Shut down and Time Relay

Hatz 2-4M40
174 pages
Print Icon
To Next Page IconTo Next Page
To Next Page IconTo Next Page
To Previous Page IconTo Previous Page
To Previous Page IconTo Previous Page
Loading...
4
L / M . . / 07.96
P 0 1 2 3
58 50a 15 19 17
P, 0, 1
30
86
30
87
85
86
30
87
85
30
50
M
G
U
D+
B+
P
u
P
h
P1
n
P2
15
W - 1
0
7
Y1
0
Y3
3
AW
7
HW
S1
G1G2 M1
31
30
15
50
19
17
221
3
W - 6
W
718
4
17
5
2
X1
X2
86
14
0
X1X1X1
S8 S7 S6
H1 H4
V1
V1
V1
V1 V1
K4
K7
K1
V1
R1 R1
H6
V2
H6
K2
S5
K3
F1 8A
V2
31
3150
86
87
87
87a 87
15
30
30
50
15
85
SE
12
3
4
56
Engine
4 L / M 31,40,41 only
Instrument box
Power supply
Charging device
Starting device
Monitoring + display
Engine shut-down Pre-heating
Optiones
(Hour-run meter, speed adjustment)
Circuit diagram 12 V - system with automat. shut down and time relay

Table of Contents

Other manuals for Hatz 2-4M40

Related product manuals